SKF7211BEY轴承详细参数

发布时间:2026-04-15
角接触球轴承, 单列
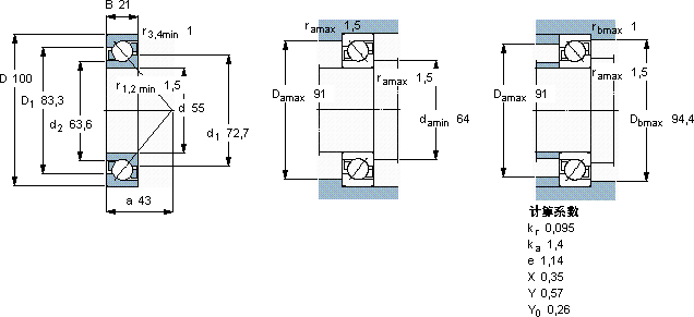
主要数据尺寸 尺寸 [英寸] 疲劳负荷限值 额定速度 体积 型号
动态 静态 参照速度 限制速度
d D B C C0 Pu
mm kN kN r/min kg -
551002148,8381,63750075000,627211 BEY

SKF7211BEY角接触球轴承供应商

八零动力专业销售7211BEY角接触球轴承,库存SKF7211BEY大量现货,与SKF合作,咨询热线:022-58519723业务咨询
SKF7211BEY它在化工设备中的应用,展现了它的耐腐蚀性 它在包装机械中的应用,确保了设备的高效率 品质卓越的它,为机械设备的稳定、高效运行提供了支持它的抗剪切性能,确保了它的结构稳定性 它在医疗设备中的应用,确保了设备的稳定性 旋转不息,八零动力SKF角接触球轴承品种全,价格优,质量有保证!

用户关注最多的SKF轴承型号

SKF24068CC/W33 SKF6005-2RSH* SKF7222BEGBF SKFCR125X155X14HMS1R SKFCR18891 SKFCR20420 SKFCR20X40X10HMS5RG SKFCR25x48x8CRW1V SKFCR36359 SKFCR55X72X8HMSA10V SKFGE20ES-2LS SKFKMTA20 SKFNNCF4948CV SKFNU2888ECMA SKFRNA4903.2RS

7211BEY角接触球轴承近似的SKF轴承型号

SKF7211BEY SKF7211BEP SKF2x7211BECBP* SKF7211BEY SKF7211BECBM SKF2x7211BECBY SKF2x7211BECBM* SKF7211BECBP SKF7211C/DB SKF7211AC/DB SKF7211BEP SKF7212AC

用户关注最多的轴承狗热门型号

TIMKEN  EE275105/275160 INA  PAP1620-P14 FAG  SNV250-L + 222S.500 + TSV528X500 STEYR  52322 NSK  6000ZZ KOYO  23084RHA TIMKEN  99587/99102CD/X3S-99587 SKF  CR55X90X10HMS5RG MRC  7220AC/DT INA  ZKLF1762-2RS-2AP SKF  CR21163 NTN  7310AC/DB SKF  NU318ECP NSK  54238X IKO  RNA49-62

版权所有©2009-2015 轴承狗zcgou.com ICP备案:津ICP备14004550号-13