SKF2x7211BECBM*轴承详细参数

发布时间:2026-05-30
角接触球轴承, 单列,用于配对安装, 面对面配对
主要数据尺寸 基本负荷额定值 疲劳负荷限值 额定速度 体积 型号 轴承配对
动态 静态 参照速度 限制速度
d D 2B C C0 Pu * - SKF Explorer 轴承
mm kN kN r/min kg --
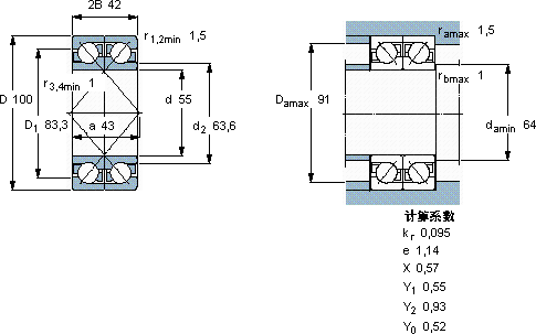
551004279,4803,32600080001,302 × 7211 BECBM *DF

SKF2x7211BECBM*角接触球轴承供应商

八零动力专业销售2x7211BECBM*角接触球轴承,库存SKF2x7211BECBM*大量现货,与SKF合作,咨询热线:022-58519723业务咨询
SKF2x7211BECBM*设计合理、性能优良的它,是机械设备稳定运行的重要保障其设计和制造工艺都达到了国际先进水平,是一款优质轴承轴承的精度极高,使得设备的运行误差被控制在极小范围内先进的生产工艺,打造出了这款性能卓越的轴承精湛的制造工艺赋予了这款轴承出色的性能和可靠性以卓越品质,八零动力SKF角接触球轴承品种全,价格优,质量有保证!

用户关注最多的SKF轴承型号

SKF22317EJA/VA405* SKF23084CAC/W33 SKF615058A SKF61822-RS SKF6322-2ZTN9 SKF7301B SKF7322BEM SKFC4134K30V+AH24134* SKFCR23755 SKFCR401001 SKFCR75X90X10HMS5RG SKFNU28/630MA SKFSDAF22532x5.3/8 SKFSNL3048 SKFYEL205-015-2F

2x7211BECBM*角接触球轴承近似的SKF轴承型号

SKF7211BEY SKF7211AC/DB SKF2x7211BECBM* SKF2x7211BEGAP* SKF7211BECBJ SKF7211C/DF SKF7211AC SKF7211BEP SKF7211C/DT SKF7211BEGBY SKF2x7211BECBJ SKF2x7211BECBP*

用户关注最多的轴承狗热门型号

RHP  7028C/DF TIMKEN  59187 /59429-B KOYO  NJ2334 SKF  GE300CS-2Z SKF  3311DNRCBM FAG  SNV110-L + 21310-E1-K + H310 + DHV610 SNR  7204B/DF TORRINGTON  22219CCK/W33+H319 TIMKEN  25584A/25518 SKF  NU1018ML 国产  6308/Z3 FAG  BND3038-Z-Y-BF-S NTN  NU2208 KOYO  6013N IKO  LWET25.../U

版权所有©2009-2015 轴承狗zcgou.com ICP备案:津ICP备14004550号-13