SKF7211BECBM*轴承详细参数

发布时间:2026-05-30
角接触球轴承, 单列
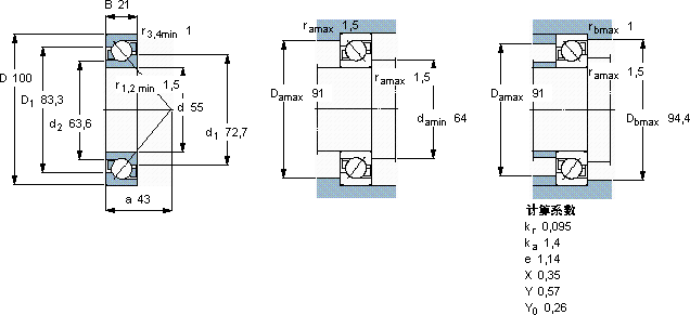
主要数据尺寸 尺寸 [英寸] 疲劳负荷限值 额定速度 体积 型号
动态 静态 参照速度 限制速度
d D B C C0 Pu * - SKF Explorer 轴承
mm kN kN r/min kg -
551002149401,66800080000,667211 BECBM *

SKF7211BECBM*角接触球轴承供应商

八零动力专业销售7211BECBM*角接触球轴承,库存SKF7211BECBM*大量现货,与SKF合作,咨询热线:022-58519723业务咨询
SKF7211BECBM*先进的制造技术和严格的质量控制,造就了这款优质轴承它的滚动体分布均匀,运转平稳无振动 它的耐腐蚀性,让它经久不衰 设计合理、性能优良的它,是机械设备实现高效运行的重要保障它的耐腐蚀性,减少了维护成本 它在包装机械中的应用,确保了设备的高效率 ,八零动力SKF角接触球轴承品种全,价格优,质量有保证!

用户关注最多的SKF轴承型号

SKF30324J2/DFC600 SKF307-2Z SKF7204AC/DT SKF7306B SKFBC4-8004/HA1VA907 SKFC71924FB/P7 SKFCR160X185X15HMS5V SKFCR26X37X7HMSA10V SKFCR8053 SKFGE200CS-2Z SKFNNCF5072CV SKFPWM556370 SKFQJ226N2MA SKFUEL212 SKFW628/5-2ZR

7211BECBM*角接触球轴承近似的SKF轴承型号

SKF7211BEY SKF2x7211BECBY SKF7211BEGAP* SKF7211BECBP SKF7211AC SKF7211BECBY SKF7211BEGBY SKF2x7211BEGAP* SKF7211C/DF SKF7211AC/DF SKF7211BECBJ SKF7211BECBP*

用户关注最多的轴承狗热门型号

DKF  7309B NTN  7307C/DT NSK  N413 SKF  BB1B363270 KOYO  1317K SKF  CR9939 SNR  6017-2Z SKF  71901CD/P4A NSK  7002A5TYNDBLP4 TORRINGTON  23052CACK/33+H3052 国产  29392 SKF  CR411503 LYC  32207/P5 TORRINGTON&FAFNIR  6208N IKO  CRWU60-80

版权所有©2009-2015 轴承狗zcgou.com ICP备案:津ICP备14004550号-13