SKFQJ211MA*轴承详细参数

发布时间:2026-04-15
角接触球轴承, 四点接触球轴承
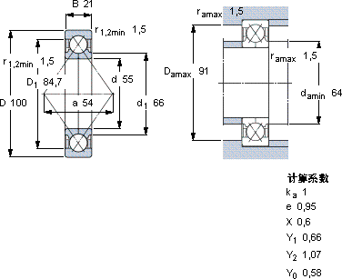
主要数据尺寸 基本负荷额定值 疲劳负荷限值 额定速度 体积 型号
动态 静态 参照速度 限制速度
d D B C C0 Pu * - SKF Explorer 轴承
mm kN kN r/min kg -
551002185833,558000110000,77QJ 211 MA *

SKFQJ211MA*角接触球轴承供应商

八零动力专业销售QJ211MA*角接触球轴承,库存SKFQJ211MA*大量现货,与SKF合作,咨询热线:022-58519723业务咨询
SKFQJ211MA*制造工艺先进,使得这款轴承的性能远超普通产品为您的机械注入强大动力,这轴承的设计精妙,充分考虑了各种实际应用需求先进的生产工艺,打造出了这款性能卓越的轴承轴承的耐用性极佳,为设备的长期稳定运行提供了保障它的故障率极低,确保了设备的稳定运行 ,八零动力SKF角接触球轴承品种全,价格优,质量有保证!

用户关注最多的SKF轴承型号

SKF7210C/DF SKFCR1500250 SKFCR41170 SKFCR50X65X8HMSA10RG SKFCR50X70X12CRSH1R SKFCR9347 SKFCR99837 SKFGEZ012ES SKFHE3136 SKFOKCX900 SKFS71921CD/P4A SKFS71930ACD/P4A SKFSNW20x3.5/16 SKFTU1.7/16FM SKFUCP212

QJ211MA*角接触球轴承近似的SKF轴承型号

SKF7211AC/DB SKFQJ211MA SKF7211AC/DF SKF3211A* SKFQJ211N2MA SKF3211ATN9* SKF3211A-2RS1 SKF5211E-2Z SKF7211B/DF SKF5211E-2RS1 SKFQJ211N2MA SKFQJ211N2MA*

用户关注最多的轴承狗热门型号

LYC  LY-8010 ASK  NU1017 NACHI  2304 NSK  628ZZ KOYO  33121 FAG  BND3072-H-W-Y-AF-S KOYO  1315 FAG  ZRB50X85-QP NSK  MF63 RHP  3207A SKF  NATR12PPA LYC  6206 ENR TORRINGTON  24132CCK30/W33 SKF  NA6910 IKO  BR202820UU

版权所有©2009-2015 轴承狗zcgou.com ICP备案:津ICP备14004550号-13