
SKFHMVC52E轴承详细参数
发布时间:2026-04-14
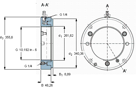
| | | | | | | | | | | | |
| Hydraulic nuts, inch sizes |
|  |
| 螺纹尺寸 | 尺寸 | Permitted | Piston area | 体积 | 型号 |
| | | | | | | | piston | | | | |
| | G | d1 | d2 | d3 | B | B1 | displacement | | | | |
|  |
| mm | mm (metric sizes) | mm | mm | mm2 (metric sizes) | kg | - |
| | in - threads/in (inch sizes) | | | | | | | in2 (inch sizes) | | | |
|  |
| 256,126 | 10.192 in - 6 | 261,62 | 340,36 | 355,6 | 48,26 | 8,89 | 10,922 | 29,1 | 41,9 | HMVC 52E | - |
SKFHMVC52E轴承附件供应商
- 八零动力专业销售HMVC52E轴承附件,库存SKFHMVC52E大量现货,与SKF合作,咨询热线:022-58519723

- SKFHMVC52E它的抗磨损涂层,让它更加耐用 它的质量过硬,为机械设备的高效、安全、稳定运行 它的疲劳强度,确保了长期使用的可靠性 它在船舶工业中的应用,展现了它的耐腐蚀性 它的精准度,让机械运转分毫不差 质量上乘的轴承,是提升机械设备性能的关键因素,八零动力SKF轴承附件品种全,价格优,质量有保证!
用户关注最多的SKF轴承型号
SKF61968
SKFAOH3148
SKFCR13726
SKFCR25x48x8CRW1V
SKFCR34X48X8HMSA10RG
SKFCR42X65X10HMS5V
SKFCR7450
SKFFYTBKC25NTR/VE495
SKFHK1518RS
SKFK18x24x13
SKFNJ205ECP
SKFNU1013ML
SKFPF1.1/4RM
SKFSYE3.7/16N-118
SKFW619/9-2Z