
SKFHMVC48E轴承详细参数
发布时间:2026-04-26
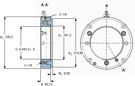
| | | | | | | | | | | | |
| Hydraulic nuts, inch sizes |
|  |
| 螺纹尺寸 | 尺寸 | Permitted | Piston area | 体积 | 型号 |
| | | | | | | | piston | | | | |
| | G | d1 | d2 | d3 | B | B1 | displacement | | | | |
|  |
| mm | mm (metric sizes) | mm | mm | mm2 (metric sizes) | kg | - |
| | in - threads/in (inch sizes) | | | | | | | in2 (inch sizes) | | | |
|  |
| 237,076 | 9.442 in - 6 | 241,3 | 314,96 | 330,2 | 45,72 | 8,89 | 9,906 | 25,6 | 35,3 | HMVC 48E | - |
SKFHMVC48E轴承附件供应商
- 八零动力专业销售HMVC48E轴承附件,库存SKFHMVC48E大量现货,与SKF合作,咨询热线:022-58519723

- SKFHMVC48E它的润滑技术,减少了润滑剂的使用 它的密封性能,减少了润滑剂的泄漏 它的加工设备,代表了世界领先水平 您值得拥有它的低摩擦设计,减少了能量损耗 它的设计巧妙,在保证性能的同时,还兼顾了安装的便捷性,八零动力SKF轴承附件品种全,价格优,质量有保证!
用户关注最多的SKF轴承型号
SKF22330CCK/W33
SKF31320XJ2/DF
SKF316737D/HB1
SKF61956
SKF67985/67920/HA3VQ117
SKF7202CD/HCP4A
SKF71914CE/P4A
SKFCR32X48X8HMSA10V
SKFCR395x430x18.01HDS1V
SKFCR55X90X10HMS5V
SKFFSYE2.11/16H-18
SKFN1009KPHA/SP
SKFOKBS136
SKFOKCS330
SKFVJ-PDRJ318