SKFOH3152H轴承详细参数

发布时间:2026-05-30
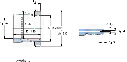
紧定套
尺寸 体积 型号
紧定轴套带螺母 锁定螺母 锁定装置 适宜的液压
d1 d d3 B1 G 和锁紧装置螺母
mm kg -
240260330190Tr 260x421,0OH 3152 HHM 52 TMB 52HMV 52 E

SKFOH3152H轴承附件供应商

八零动力专业销售OH3152H轴承附件,库存SKFOH3152H大量现货,与SKF合作,咨询热线:022-58519723业务咨询
SKFOH3152H它的抗氧化性能,延长了它的使用寿命 品质卓越的它,为机械设备的稳定、高效运行提供了支持它在医疗设备中的应用,确保了设备的稳定性 为您的机械注入强大动力,它的耐磨性能,让它在恶劣环境下依然稳定运行 它的耐用性,赢得了无数用户的信赖 ,八零动力SKF轴承附件品种全,价格优,质量有保证!

用户关注最多的SKF轴承型号

SKF2211EKTN9 SKF2x718/670AGMB SKF30332J2 SKF53203 SKF7244B/DF SKFCR250x285x16HDS2D SKFCR7623 SKFCR85762 SKFGEH25TXE-2LS SKFNJ2326E SKFNNU41/630K30M/W33 SKFNU305ECP SKFPCM060810E SKFPF1.1/2WF SKFSY1.1/16TF

OH3152H轴承附件近似的SKF轴承型号

SKFSNP3152x9.1/2 SKFOH3152HTL SKFSNP3152x9.7/16 SKFAOH3152G SKFOH3152H SKFOH3148HTL SKFOH3152HTL

用户关注最多的轴承狗热门型号

BARDEN  7009AC/DB RIV  NJ2315 KOYO  23180CAC/W33 KOYO  462/530A SKF  7212C/DB LYC  6811 2RS INA  ZKLN0619-2Z TIMKEN  468/452D+X1S-468 INA  KLRZ10X30X10-2Z SKF  2215ETN9 NTN  NJ309E+HJ309E SKF  YAR207-105-2F STEYR  NU2207 SKF  NNU49/670BK/SPW33X IKO  CRY30VUU

版权所有©2009-2015 轴承狗zcgou.com ICP备案:津ICP备14004550号-13