SKFOH3952H轴承详细参数

发布时间:2026-05-30
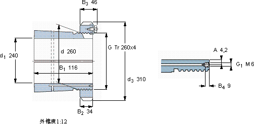
紧定套
尺寸 体积 型号
紧定轴套带螺母 锁定螺母 锁定装置 适宜的液压
d1 d d3 B1 G 和锁紧装置螺母
mm kg -
240260310116Tr 260x411,7OH 3952 HHM 3052MS 3052-48HMV 52 E

SKFOH3952H轴承附件供应商

八零动力专业销售OH3952H轴承附件,库存SKFOH3952H大量现货,与SKF合作,咨询热线:022-58519723业务咨询
SKFOH3952H它的轴向游隙控制,精准到令人惊叹 它在汽车工业中的应用,让车辆运行更加平稳 卓越的性能和可靠的质量,让这款轴承成为市场的宠儿它的精密设计,展现了人类智慧的巅峰 零误差起步这款轴承的精度极高,能够满足对精度要求苛刻的设备,八零动力SKF轴承附件品种全,价格优,质量有保证!

用户关注最多的SKF轴承型号

SKF238/710CAMA/W20 SKF32215T80J2/QDB SKF33019/Q SKF608/800MA SKFC3120V* SKFCR200X230X15.9HDS1R SKFCR524657 SKFCR61840 SKFCR85X110X12HMSA10RG SKFFY5/8TF/AH SKFLS160200 SKFNJ2206ECP* SKFPCM171920E SKFSNL3068TURT SKFSNP3260x10.15/16

OH3952H轴承附件近似的SKF轴承型号

SKFOH3952H SKFOH3948H SKFOH3992HE

用户关注最多的轴承狗热门型号

ZKL  NJ206 KOYO  7208AC/DF NACHI  7236CDT FAG  HSS7016-C-T-P4S 国产  517/238 NSK  NUP2232M INA  PAB25-PP-AS LYC  281.30.0900.013 国产  3206A-ZTN1 SKF  23956CCK/W33 TIMKEN  60BIH258 SKF  FYM2.1/2TF/AH SKF  SNL3060G SKF  RSTO25 IKO  STS4L1-Lb

版权所有©2009-2015 轴承狗zcgou.com ICP备案:津ICP备14004550号-13