
SKFHMVC56E轴承详细参数
发布时间:2026-04-14
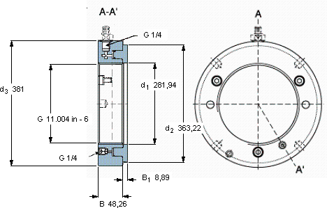
| | | | | | | | | | | | |
| Hydraulic nuts, inch sizes |
|  |
| 螺纹尺寸 | 尺寸 | Permitted | Piston area | 体积 | 型号 |
| | | | | | | | piston | | | | |
| | G | d1 | d2 | d3 | B | B1 | displacement | | | | |
|  |
| mm | mm (metric sizes) | mm | mm | mm2 (metric sizes) | kg | - |
| | in - threads/in (inch sizes) | | | | | | | in2 (inch sizes) | | | |
|  |
| 276,751 | 11.004 in - 6 | 281,94 | 363,22 | 381 | 48,26 | 8,89 | 11,938 | 32,7 | 48,5 | HMVC 56E | - |
SKFHMVC56E轴承附件供应商
- 八零动力专业销售HMVC56E轴承附件,库存SKFHMVC56E大量现货,与SKF合作,咨询热线:022-58519723

- SKFHMVC56E高品质的轴承,在复杂工况下也能展现出卓越的性能为您的工程保驾护航,它的品质卓越,为机械设备的高效运行提供了坚实后盾为您的设备保驾护航,让机械运转无忧这款轴承的运转平稳,几乎听不到任何噪音,令人惊艳它的滚动体分布均匀,运转平稳无振动 ,八零动力SKF轴承附件品种全,价格优,质量有保证!
用户关注最多的SKF轴承型号
SKF22330CCJA/W33VA406
SKF2318K
SKF32960/DF
SKF627/HR22Q2
SKF71902C/DB
SKFBT4B332610/HA1
SKFC3144*
SKFCR10X24X7HMSA10V
SKFCR13937
SKFCR17702
SKFCR330x370x18HDS2R
SKFIR15x20x12IS1
SKFNU1076
SKFNUP314ECML*
SKFYEL211-203-2F