SKFOH2348H轴承详细参数

发布时间:2026-04-14
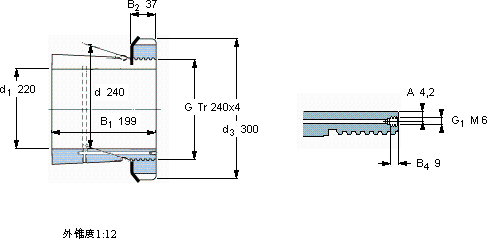
紧定套
尺寸 体积 型号
紧定轴套带螺母 锁定螺母 锁定装置 适宜的液压
d1 d d3 B1 G 和锁紧装置螺母
mm kg -
220240300199Tr 240x419,0OH 2348 HHM 48 TMB 48HMV 48 E

SKFOH2348H轴承附件供应商

八零动力专业销售OH2348H轴承附件,库存SKFOH2348H大量现货,与SKF合作,咨询热线:022-58519723业务咨询
SKFOH2348H轴承的耐用性极佳,为设备的长期稳定运行提供了保障轴承的稳定性和可靠性表现出色,赢得了用户的高度认可精湛的制造工艺赋予了这款轴承卓越的性能和品质 让您的机械如虎添翼,承载未来高精度低摩擦,八零动力SKF轴承附件品种全,价格优,质量有保证!

用户关注最多的SKF轴承型号

SKF1205ETN9 SKF1222 SKF22318EK+AHX2318* SKF368A/362A/Q SKF61932MA SKF6217/W64* SKF6218-2Z* SKF7228AC/DT SKF7324BCBM SKFAH313G SKFCR110x140x12CRW1V SKFCR413503 SKFFBSA207/DB SKFSNL3188L SKFZ205F

OH2348H轴承附件近似的SKF轴承型号

SKFOH2348H SKFAOH2348 SKFOH2344H SKFOH2352H

用户关注最多的轴承狗热门型号

国产  6022/Z2 KOYO  NU2322R 国产  UCFLU210 TORRINGTON  23188CAC/W33 SKF  NUP206ECML* STEYR  32028 FAG  BND3034-Z-T-AL-S FAG  NJ204-E-TVP2 + HJ204E NTN  NU2248 TIMKEN  95528/95925 FYH  UELFU211 NTN  23122BK 国产  K14*18*20 NACHI  7338DF ZKL  NU308

版权所有©2009-2015 轴承狗zcgou.com ICP备案:津ICP备14004550号-13