SKFOH3148HTL轴承详细参数

发布时间:2026-04-14
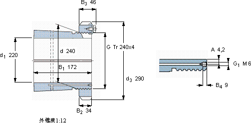
紧定套
尺寸 体积 型号
紧定轴套带螺母 锁定螺母 锁定装置 适宜的液压
d1 d d3 B1 G 和锁紧装置螺母
mm kg -
220240290172Tr 240x415,1OH 3148 HTLHM 3048MS 3052-48HMV 48 E

SKFOH3148HTL轴承附件供应商

八零动力专业销售OH3148HTL轴承附件,库存SKFOH3148HTL大量现货,与SKF合作,咨询热线:022-58519723业务咨询
SKFOH3148HTL它在化工设备中的应用,展现了它的耐腐蚀性 它的使用寿命,远超同类产品 设计独特的轴承,不仅性能优越,还具有很高的性价比它的微观表面处理,减少了摩擦和磨损 有效增强了机械设备的竞争力持久转动,八零动力SKF轴承附件品种全,价格优,质量有保证!

用户关注最多的SKF轴承型号

SKF22210EK* SKF33010 SKF353151 SKF7007CD/P4A SKFBT2B328383/HA1 SKFCR130X160X15HMS5V SKFCR593949 SKFCR99368 SKFFYRP2.3/16 SKFGEH60ES-2RS SKFM10x0.75 SKFN313E SKFNJ321ECML* SKFNJG2348VH SKFNU2222ECJ*

OH3148HTL轴承附件近似的SKF轴承型号

SKFSNP3148x8.15/16 SKFOH3148H SKFOH3148HTL SKFAOH3148 SKFOH3148H SKFOH3152H

用户关注最多的轴承狗热门型号

STEYR  6312-2Z NSK  NU2226EM TIMKEN  HM252349/HM252310CD/HM252349XC FAG  BND3132-Z-Y-BF-S FAG  KUG73,025 LYC  61864 M/C5 LYC  787/1430 MRC  7234B/DB LYC  23130 /W33 SKF  NJ412 TORRINGTON&FAFNIR  6302-2Z LYC  NU 1048 M/C7 NSK  7916A5DB SKF  NN3017KTN9/SP IKO  NA4930

版权所有©2009-2015 轴承狗zcgou.com ICP备案:津ICP备14004550号-13