
SKFHMVC44E轴承详细参数
发布时间:2026-04-15
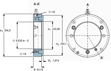
| | | | | | | | | | | | |
| Hydraulic nuts, inch sizes |
|  |
| 螺纹尺寸 | 尺寸 | Permitted | Piston area | 体积 | 型号 |
| | | | | | | | piston | | | | |
| | G | d1 | d2 | d3 | B | B1 | displacement | | | | |
|  |
| mm | mm (metric sizes) | mm | mm | mm2 (metric sizes) | kg | - |
| | in - threads/in (inch sizes) | | | | | | | in2 (inch sizes) | | | |
|  |
| 217,089 | 8.628 in - 8 | 220,98 | 292,1 | 304,8 | 43,18 | 7,874 | 8,89 | 22,3 | 29,8 | HMVC 44E | - |
SKFHMVC44E轴承附件供应商
- 八零动力专业销售HMVC44E轴承附件,库存SKFHMVC44E大量现货,与SKF合作,咨询热线:022-58519723

- SKFHMVC44E它的每一次转动,都是对精准度的极致追求 该轴承的性能卓越,完全满足了各种严苛工况的需求它的模块化设计,让安装和更换变得轻松便捷 它的滚动体分布均匀,运转平稳无振动 优秀的设计和卓越的性能,让这款轴承备受青睐引领行业速度,我们的轴承始终稳如磐石,八零动力SKF轴承附件品种全,价格优,质量有保证!
用户关注最多的SKF轴承型号
SKF248/1320CAK30FA/W20
SKF2x7244BCBM
SKF71909C
SKF7309BECBP*
SKFAOH2356G
SKFCR260x290x16HDS2R
SKFCR28X45X8HMSA10V
SKFCR34X58X13CRSH11R
SKFCR402002
SKFCR50x65x8CRW1V
SKFCR592376
SKFCR680x730x25HDS2V
SKFCR85691
SKFNJ419+HJ419
SKFYAR213-2RF