SKFOH3144HTL轴承详细参数

发布时间:2026-05-30
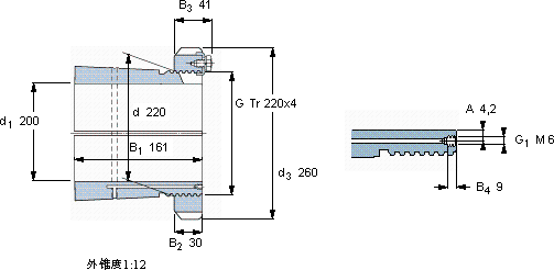
紧定套
尺寸 体积 型号
紧定轴套带螺母 锁定螺母 锁定装置 适宜的液压
d1 d d3 B1 G 和锁紧装置螺母
mm kg -
200220260161Tr 220x414,3OH 3144 HTLHM 3044MS 3044HMV 44 E

SKFOH3144HTL轴承附件供应商

八零动力专业销售OH3144HTL轴承附件,库存SKFOH3144HTL大量现货,与SKF合作,咨询热线:022-58519723业务咨询
SKFOH3144HTL是您设备高效运转的可靠伙伴,卓越的性能表现,让这款轴承在市场上脱颖而出品质卓越的它,在各种工况下都能展现出优异的性能优秀的轴承,就像精密仪器的心脏,确保着整个系统的高效运转制造工艺精湛,使得这款轴承的精度和稳定性都非常出色是机械世界的璀璨明星,,八零动力SKF轴承附件品种全,价格优,质量有保证!

用户关注最多的SKF轴承型号

SKF316388AB SKF6016NR* SKF6218/C3VL0241 SKF6314-RS SKF7021ACD/P4A SKFCR25082 SKFCR30X40X7HMS5V SKFCR84510 SKFE2.6303-2Z/C3 SKFJL69349X/310/Q SKFN330E SKFNJ311ECJ* SKFOKCX390 SKFSY1.3/4RM SKFWS81238

OH3144HTL轴承附件近似的SKF轴承型号

SKFOH3144H SKFSNW3144x7.15/16 SKFSNW3144x8 SKFAOH3144 SKFOH3144HTL SKFOH3144H SKFOH3148H

用户关注最多的轴承狗热门型号

TORRINGTON&FAFNIR  7306C BARDEN  71934C/DB NTN  6232 SKF  SNL3284L NTN  23288CAC/W33 MRC  7310AC/DF TORRINGTON  24038CC/W33 ZKL  7326B/DF LYC  FD-N 6/1200 M-1 国产  6211-RS 国产  6022-RS/Z3 TIMKEN  180RT03 SNR  6301 LYC  B 7007 C/P5 NTN  6303-Z

版权所有©2009-2015 轴承狗zcgou.com ICP备案:津ICP备14004550号-13