SKFOH3944H轴承详细参数

发布时间:2026-04-14
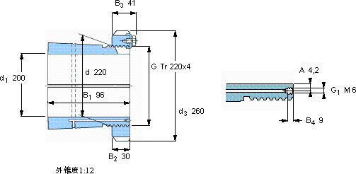
紧定套
尺寸 体积 型号
紧定轴套带螺母 锁定螺母 锁定装置 适宜的液压
d1 d d3 B1 G 和锁紧装置螺母
mm kg -
20022026096Tr 220x47,95OH 3944 HHM 3044MS 3044HMV 44 E

SKFOH3944H轴承附件供应商

八零动力专业销售OH3944H轴承附件,库存SKFOH3944H大量现货,与SKF合作,咨询热线:022-58519723业务咨询
SKFOH3944H轴承的耐用性强,减少了设备的停机维护时间高品质的轴承,在各种复杂工况下都能展现出卓越的性能表现这轴承的稳定性极佳,在高速运转时也能保持良好状态精准承载它的抗氧化性能,延长了它的使用寿命 它的质量可靠,是众多机械设备制造商的首选配件,八零动力SKF轴承附件品种全,价格优,质量有保证!

用户关注最多的SKF轴承型号

SKF1206ETN9 SKF2212EKTN9 SKF608-2RSL* SKF619/8-2Z SKF6320 SKF71800CD/HCP4A SKFAHX3120 SKFBT4B332786/HA4 SKFCR21172 SKFCR39934 SKFCR400085 SKFCR400900 SKFCR91202 SKFK22x26x10 SKFSAF1617

OH3944H轴承附件近似的SKF轴承型号

SKFOH3944H SKFOH3284H SKFOH3948H

用户关注最多的轴承狗热门型号

FAG  SNV120-L + 222S.204 + DH513X203 TIMKEN  2581/2523D RHP  7215C/DT 国产  NJ207 INA  KH20-PP FAG  61868-M SKF  2316 INA  KBZ16-PP INA  K89309-TV SKF  L476549/510 SKF  61805-2RZ FAG  SNV072-L + 1207-TVH + DH207 FAG  SNV052-L + 20205-K-TVP-C3 + H205 + DHV505 NTN  NUP219 IKO  CFE10VUU

版权所有©2009-2015 轴承狗zcgou.com ICP备案:津ICP备14004550号-13