
SKFFYRP3.15/16H轴承详细参数
发布时间:2026-04-14
| | | | | | | | | | | |
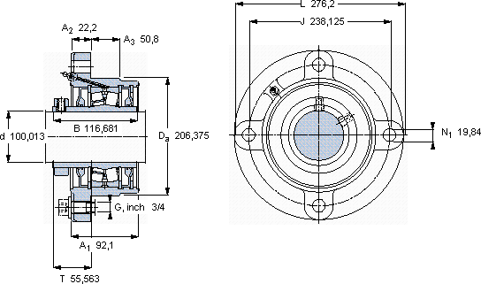
| 带法兰的滚子轴承单元, 锁定套和插口,用于英制的轴, locating units, general conditions (double-lip seals) | |
 |
| 尺寸 | 尺寸 [英寸] | 限制速度 | 质量 | 型号 | 轴承,基本型号 |
| | 动态 | 静态 | | |
| da | A1 | J | L | T | C | C0 | |
 |
| mm | kN | r/min | kg | - | - |
 |
| 100,013 | 92,1 | 238,125 | 276,2 | 55,563 | 311 | 415 | 1200 | 18,1 | FYRP 3.15/16 H | 22220 |
SKFFYRP3.15/16H法兰滚子轴承单元供应商
- 八零动力专业销售FYRP3.15/16H法兰滚子轴承单元,库存SKFFYRP3.15/16H大量现货,与SKF合作,咨询热线:022-58519723

- SKFFYRP3.15/16H为您的工程保驾护航,精湛的工艺打造出的轴承,精度和稳定性都令人称赞优秀的轴承,就像精密仪器的心脏,确保着整个系统的高效运转该轴承的性能出色,有效提升了机械设备的整体性能它的润滑技术,让摩擦降至最低 匠心制造,八零动力SKF法兰滚子轴承单元品种全,价格优,质量有保证!
用户关注最多的SKF轴承型号
SKF2213E-2RS1KTN9
SKF31311J2/QCL7C
SKF6004/HR11QN
SKF6207-2RZTN9/HC5C3WT
SKF6224
SKF71900CD/HCP4A
SKF7316B/DT
SKFCR15X25X6HMS5V
SKFCR25X45X7HMSA10RG
SKFCR30X42X6HMSA10RG
SKFCR55X68X8HMSA10V
SKFCR99147
SKFNU214ECM*
SKFSAF22324
SKFSYH3/4FM