
SKFFYRP2.15/16H轴承详细参数
发布时间:2026-04-14
| | | | | | | | | | | |
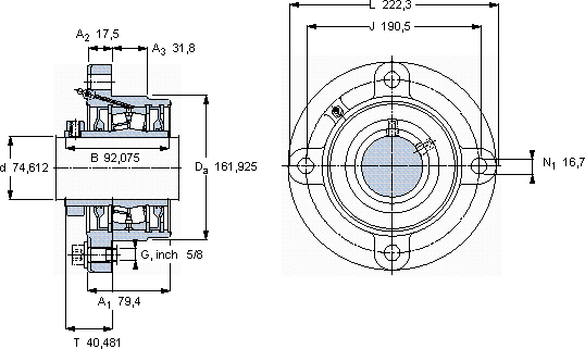
| 带法兰的滚子轴承单元, 锁定套和插口,用于英制的轴, locating units, general conditions (double-lip seals) | |
 |
| 尺寸 | 尺寸 [英寸] | 限制速度 | 质量 | 型号 | 轴承,基本型号 |
| | 动态 | 静态 | | |
| da | A1 | J | L | T | C | C0 | |
 |
| mm | kN | r/min | kg | - | - |
 |
| 74,612 | 79,4 | 190,5 | 222,3 | 40,481 | 158 | 208 | 1600 | 8,85 | FYRP 2.15/16 H | 22215 |
SKFFYRP2.15/16H法兰滚子轴承单元供应商
- 八零动力专业销售FYRP2.15/16H法兰滚子轴承单元,库存SKFFYRP2.15/16H大量现货,与SKF合作,咨询热线:022-58519723

- SKFFYRP2.15/16H为您的工程保驾护航,它在矿山设备中的应用,确保了设备的高负载能力 为设备的精确运行提供了保障,该轴承的精度控制精准,为设备的精确运行提供了保障性能卓越的它,为机械设备的稳定运行提供了可靠保障高精度的制造工艺,让这款轴承的性能更加出色品质卓越的它,在各种工况下都能展现出优异的性能,八零动力SKF法兰滚子轴承单元品种全,价格优,质量有保证!
用户关注最多的SKF轴承型号
SKF22211CC/W33
SKF248/1320CAK30FA/W20
SKF30215J2/Q
SKF6312-ZNR*
SKF53217U
SKF61808-RZ
SKFBT4B334060G/HA1VA901
SKFC2217K*
SKFCR35x50x8CRW1R
SKFCR400351
SKFCR80X130X12CRWA1R
SKFCR86688
SKFNKI60/25
SKFNU416M
SKFPF1/2RM