
SKFFYR1.15/16H-18轴承详细参数
发布时间:2026-04-15
| | | | | | | | | | | |
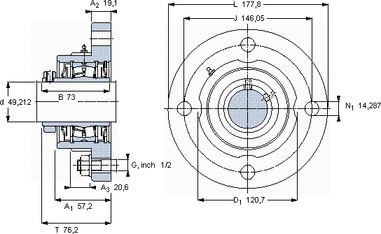
| 带法兰的滚子轴承单元, 锁定套,用于英制的轴, locating units, labyrinth seals | |
 |
| 尺寸 | 尺寸 [英寸] | 限制速度 | 质量 | 型号 | 轴承,基本型号 |
| | 动态 | 静态 | | |
| da | A1 | J | L | T | C | C0 | |
 |
| mm | kN | r/min | kg | - | - |
 |
| 49,212 | 57,2 | 146,05 | 177,8 | 76,2 | 84,5 | 100 | 5000 | 4,99 | FYR 1.15/16 H-18 | 22210 |
SKFFYR1.15/16H-18法兰滚子轴承单元供应商
- 八零动力专业销售FYR1.15/16H-18法兰滚子轴承单元,库存SKFFYR1.15/16H-18大量现货,与SKF合作,咨询热线:022-58519723

- SKFFYR1.15/16H-18制造工艺精湛,使得这款轴承的精度、稳定性和耐用性都非常出色就是选择高效与可靠轴承的耐用性极佳,能够承受高强度的工作负荷是您成功路上的得力助手,它的承载能力,堪称机械界的“大力士” 它的耐高温性能,让它在极端环境下依然稳定运行 ,八零动力SKF法兰滚子轴承单元品种全,价格优,质量有保证!
用户关注最多的SKF轴承型号
SKF23052CCK/W33+OH3052H*
SKF3306A-2ZTN9/MT33*
SKF353150A
SKF6305-Z*
SKFCR13585
SKFCR140X180X12HMSA10RG
SKFCR40036
SKFCR55X72X8HMSA10V
SKFHK0912
SKFNNC4918CV
SKFNK47/20
SKFNNU4196K30M/W33
SKFQJ1072N2MA
SKFQJ212N2MA
SKFS7010ACD/HCP4A