
SKFFYRP3.15/16H-18轴承详细参数
发布时间:2026-04-14
| | | | | | | | | | | |
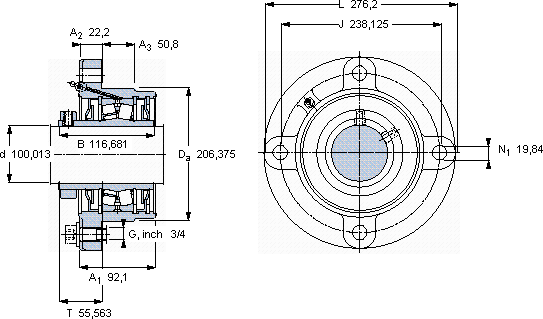
| 带法兰的滚子轴承单元, 锁定套和插口,用于英制的轴, locating units, labyrinth seals | |
 |
| 尺寸 | 尺寸 [英寸] | 限制速度 | 质量 | 型号 | 轴承,基本型号 |
| | 动态 | 静态 | | |
| da | A1 | J | L | T | C | C0 | |
 |
| mm | kN | r/min | kg | - | - |
 |
| 100,013 | 92,1 | 238,125 | 276,2 | 55,563 | 311 | 415 | 2200 | 18,1 | FYRP 3.15/16 H-18 | 22220 |
SKFFYRP3.15/16H-18法兰滚子轴承单元供应商
- 八零动力专业销售FYRP3.15/16H-18法兰滚子轴承单元,库存SKFFYRP3.15/16H-18大量现货,与SKF合作,咨询热线:022-58519723

- SKFFYRP3.15/16H-18卓越的设计理念,赋予了这款轴承超凡的性能我们的轴承卓越的性能先进的制造工艺,让这款轴承的性能更加稳定可靠它的每一次转动,都是对效率的极致追求 轴承的稳定性和可靠性表现卓越,赢得了广泛赞誉这轴承的设计精妙,充分考虑了各种实际应用需求,八零动力SKF法兰滚子轴承单元品种全,价格优,质量有保证!
用户关注最多的SKF轴承型号
SKF239/530CA/W33*
SKF314719C
SKF4217ATN9
SKF51103V/HR11Q1
SKF7036AC/DB
SKF70/500BM
SKF7211BEP
SKFBT4B328564/HA4
SKFCR19219
SKFCR280x310x15HS8R
SKFCR90x110x12CRW1R
SKFGE20ES-2RS
SKFGE35ES
SKFGEG63ES
SKFNA4848