
SKFFYRP1.1/2H-18轴承详细参数
发布时间:2026-05-30
| | | | | | | | | | | |
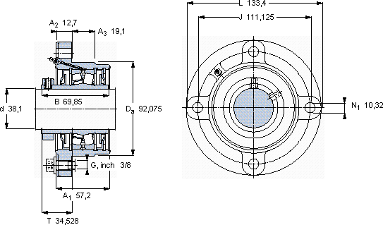
| 带法兰的滚子轴承单元, 锁定套和插口,用于英制的轴, locating units, labyrinth seals | |
 |
| 尺寸 | 尺寸 [英寸] | 限制速度 | 质量 | 型号 | 轴承,基本型号 |
| | 动态 | 静态 | | |
| da | A1 | J | L | T | C | C0 | |
 |
| mm | kN | r/min | kg | - | - |
 |
| 38,1 | 57,2 | 111,125 | 133,4 | 34,528 | 73,8 | 81,5 | 6000 | 2,86 | FYRP 1.1/2 H-18 | 22208 |
SKFFYRP1.1/2H-18法兰滚子轴承单元供应商
- 八零动力专业销售FYRP1.1/2H-18法兰滚子轴承单元,库存SKFFYRP1.1/2H-18大量现货,与SKF合作,咨询热线:022-58519723

- SKFFYRP1.1/2H-18轴承的稳定性和可靠性都十分出色,赢得了用户的信赖轴承的选材优质,确保了其在各种环境下都能稳定工作出色的性能表现,让这款轴承成为行业内的明星产品,该轴承的性能卓越,完全满足了各种严苛工况的需求它的径向跳动控制,达到了行业顶尖水平 它的高效率,让机械运转更加节能 ,八零动力SKF法兰滚子轴承单元品种全,价格优,质量有保证!
用户关注最多的SKF轴承型号
SKF22206EK+H306*
SKF313499DA
SKF32005X/Q
SKF3212A-2RS1
SKF32213
SKF51218
SKF7014FB/P7
SKF7205CD/HCP4A
SKF71908C/DB
SKF7236B/DB
SKFBTM80A/HCP4CDBA
SKFCR6125
SKFFBSA205/QBC
SKFNCF2917CV
SKFSYR1.11/16