
SKFFYRP2.7/16H-18轴承详细参数
发布时间:2026-05-30
| | | | | | | | | | | |
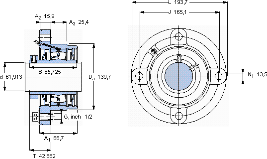
| 带法兰的滚子轴承单元, 锁定套和插口,用于英制的轴, locating units, labyrinth seals | |
 |
| 尺寸 | 尺寸 [英寸] | 限制速度 | 质量 | 型号 | 轴承,基本型号 |
| | 动态 | 静态 | | |
| da | A1 | J | L | T | C | C0 | |
 |
| mm | kN | r/min | kg | - | - |
 |
| 61,913 | 66,7 | 165,1 | 193,7 | 42,862 | 148 | 183 | 3800 | 6,35 | FYRP 2.7/16 H-18 | 22213 |
SKFFYRP2.7/16H-18法兰滚子轴承单元供应商
- 八零动力专业销售FYRP2.7/16H-18法兰滚子轴承单元,库存SKFFYRP2.7/16H-18大量现货,与SKF合作,咨询热线:022-58519723

- SKFFYRP2.7/16H-18它在航空航天领域的应用,展现了它的高可靠性 轴承的稳定性和可靠性表现卓越,赢得了广泛赞誉其设计和制造都达到了极高的水准,是一款不可多得的轴承出色的性能表现,让这款轴承成为行业内的明星产品,是机械世界的璀璨明星,稳定的传奇,八零动力SKF法兰滚子轴承单元品种全,价格优,质量有保证!
用户关注最多的SKF轴承型号
SKF23038CCK/33+H3038
SKF23972CC/W33*
SKF2x7308BEGBP*
SKF51416M
SKF634-2Z
SKF64450/64700
SKF7015DB/P7
SKF7219B
SKFBC4-8004/HA1VA907
SKFBT4B328564/HA4
SKFC31/500KM+AOHX31/500G*
SKFCR17240
SKFCR45X60X8HMSA10V
SKFNNUD6072MA/P64
SKFSNL3084LTURT