
SKFFYR1.15/16H-3轴承详细参数
发布时间:2026-04-15
| | | | | | | | | | | |
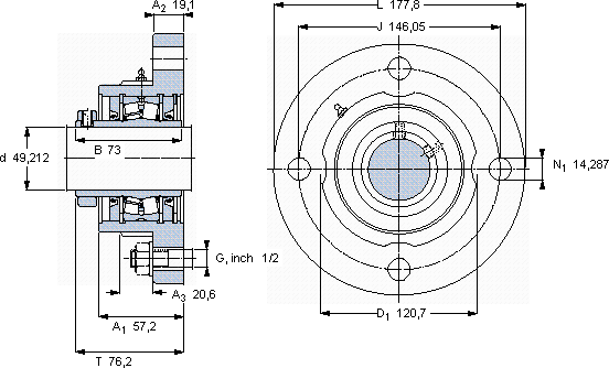
| 带法兰的滚子轴承单元, 锁定套,用于英制的轴, locating units, radial shaft seals | |
 |
| 尺寸 | 尺寸 [英寸] | 限制速度 | 质量 | 型号 | 轴承,基本型号 |
| | 动态 | 静态 | | |
| da | A1 | J | L | T | C | C0 | |
 |
| mm | kN | r/min | kg | - | - |
 |
| 49,212 | 57,2 | 146,05 | 177,8 | 76,2 | 84,5 | 100 | 2400 | 4,99 | FYR 1.15/16 H-3 | 22210 |
SKFFYR1.15/16H-3法兰滚子轴承单元供应商
- 八零动力专业销售FYR1.15/16H-3法兰滚子轴承单元,库存SKFFYR1.15/16H-3大量现货,与SKF合作,咨询热线:022-58519723

- SKFFYR1.15/16H-3它机械世界的心脏,默默支撑着无数设备的运转 它的密封性能,完美抵御灰尘和杂质的侵袭 高精度的制造工艺,让这款轴承的性能更加出色轴承的稳定性和可靠性都十分出色,赢得了用户的信赖它在机器人领域的应用,展现了它的高精密性 其质量上乘,是众多机械设备不可或缺的优质配件,八零动力SKF法兰滚子轴承单元品种全,价格优,质量有保证!
用户关注最多的SKF轴承型号
SKF23024CCK/W33+AHX3024*
SKF511/500F
SKF7326BM
SKF77375/77675/Q
SKFBT2B328389
SKFCR20X37X7CRW1V
SKFCR401601
SKFFYR2.3/16H-18
SKFGE45TXG3E-2LS
SKFNJ2305ECP
SKFNJ306ECP*
SKFPCM404450B
SKFRN-2x7.8BF/G2
SKFT4DB160
SKFT7FC060/QCL7C