
SKFFYR2.3/16H-3轴承详细参数
发布时间:2026-05-30
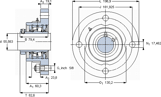
| | | | | | | | | | | |
| 带法兰的滚子轴承单元, 锁定套,用于英制的轴, locating units, radial shaft seals | |
 |
| 尺寸 | 尺寸 [英寸] | 限制速度 | 质量 | 型号 | 轴承,基本型号 |
| | 动态 | 静态 | | |
| da | A1 | J | L | T | C | C0 | |
 |
| mm | kN | r/min | kg | - | - |
 |
| 55,563 | 60,3 | 161,925 | 196,9 | 82,6 | 99,6 | 118 | 2150 | 6,12 | FYR 2.3/16 H-3 | 22211 |
SKFFYR2.3/16H-3法兰滚子轴承单元供应商
- 八零动力专业销售FYR2.3/16H-3法兰滚子轴承单元,库存SKFFYR2.3/16H-3大量现货,与SKF合作,咨询热线:022-58519723

- SKFFYR2.3/16H-3持久转动是您值得信赖的工业伙伴,为您的机械保驾护航它的加工精度,确保了机械运转的稳定性 它的抗磨损涂层,让它更加耐用 它的抗震性能,确保了它在振动环境下的可靠性 这轴承的设计简直精妙绝伦,每一处细节都彰显着极致的工艺美学,八零动力SKF法兰滚子轴承单元品种全,价格优,质量有保证!
用户关注最多的SKF轴承型号
SKF22207CC/W33
SKF23168-2CS5/VT143*
SKF23260CCK/W33+AOH3260G*
SKF23944CCK/W33+OH3944H
SKF23964CCK/W33+OH3964H*
SKF6002-RSL*
SKF619/630N1MA
SKF7219BECBM
SKFBB1-8001
SKFCR99547
SKFGEZM600ES
SKFP17RM
SKFS7013FB/P7
SKFSY1.1/4ATF
SKFSYH1.1/8WF