
SKFFYRP2.15/16H-3轴承详细参数
发布时间:2026-04-14
| | | | | | | | | | | |
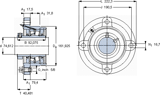
| 带法兰的滚子轴承单元, 锁定套和插口,用于英制的轴, locating units, radial shaft seals | |
 |
| 尺寸 | 尺寸 [英寸] | 限制速度 | 质量 | 型号 | 轴承,基本型号 |
| | 动态 | 静态 | | |
| da | A1 | J | L | T | C | C0 | |
 |
| mm | kN | r/min | kg | - | - |
 |
| 74,612 | 79,4 | 190,5 | 222,3 | 40,481 | 158 | 208 | 1600 | 8,85 | FYRP 2.15/16 H-3 | 22215 |
SKFFYRP2.15/16H-3法兰滚子轴承单元供应商
- 八零动力专业销售FYRP2.15/16H-3法兰滚子轴承单元,库存SKFFYRP2.15/16H-3大量现货,与SKF合作,咨询热线:022-58519723

- SKFFYRP2.15/16H-3有效增强了机械设备的竞争力该轴承的性能出色,有效提升了机械设备的整体性能转动的艺术它的精密测量技术,确保了每一件产品的品质 它的轻量化设计,减少了运输成本 它的模块化设计,让安装和更换变得轻松便捷 ,八零动力SKF法兰滚子轴承单元品种全,价格优,质量有保证!
用户关注最多的SKF轴承型号
SKF24130-2CS5K30/VT143*
SKF2x7322BECCM
SKF30244J2
SKF7008AC
SKF7012CD/P4A
SKF7415BCBM
SKF7216B/DT
SKFBD1B351955
SKFCR32x42x7CRW1V
SKFCR523184
SKFGX80F
SKFLM12749/711/Q
SKFNJ18/800ECMA
SKFNKI5/16
SKFNN3060K/W33