

| MVR axial shaft seals, MVR1 设计 | |||||||||||
| 尺寸 | 型号 | ||||||||||
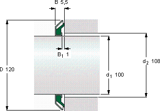
| 特定负荷 | Case outer | Housing | Clearance | Total seal | Case groove | Seal counterface | Case groove diameter | Metal case | |||
| diameter | width | case width | diameter | hole | inside | outside | thickness | ||||
| d1 | D | B | B1 | b | B2 | d2 | D1 | D2 | t | ||
| 最大 | |||||||||||
| mm | - | ||||||||||
| 100 | 120 | 5,5 | 1 | - | - | 108 | - | - | - | CR MVR1-100 | |
版权所有©2009-2015 轴承狗zcgou.com ICP备案:津ICP备14004550号-13