SKFCR401005轴承详细参数

发布时间:2026-05-30
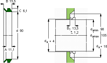
V形环密封件, VR2 设计
V形环密封件
da d A B C
最小 最大
mm mm - - - -
981059011,115,56,1VR2VCR 401005401005

SKFCR401005V型圈密封供应商

八零动力专业销售CR401005V型圈密封,库存SKFCR401005大量现货,与SKF合作,咨询热线:022-58519723业务咨询
SKFCR401005设计合理、性能优良的轴承,是机械设备的理想之选稳定持久精准承载精湛的工艺打造出的轴承,精度和稳定性都令人称赞品质卓越轴承的耐用性极佳,能够承受高强度的工作负荷,八零动力SKFV型圈密封品种全,价格优,质量有保证!

用户关注最多的SKF轴承型号

SKF305805C-2Z SKF61801-2RS1 SKFC30/630KM+OH30/630H* SKFCR28X38X7HMS5RG SKFCR30X55X7HMSA10RG SKFCR1925250 SKFCR31135 SKFCR35X80X12HMS5RG SKFCR55X70X8HMSA10V SKFIR6x9x16 SKFNK20/16 SKFNN3011TN/SP SKFPCM182020M SKFSDAF22636 SKFYEL208-108-2FCW

CR401005V型圈密封近似的SKF轴承型号

SKFCR401005 SKFCR401004 SKFCR40108

用户关注最多的轴承狗热门型号

TIMKEN  74537/74851CD/X1S-74537 TORRINGTON FAFNIR  6012 SKF  NA4903RS NTN  7930CDT NTN  NJ234E NACHI  100KBE02 SKF  7215B SKF  24044CC/W33 SKF  89418M LYC  NU 2226 M NTN  22328CC/W33 NACHI  23022AX IKO  KT505835 IKO  GBRI61816U Stieber  KI194

版权所有©2009-2015 轴承狗zcgou.com ICP备案:津ICP备14004550号-13