SKFCR411003轴承详细参数

发布时间:2026-04-14
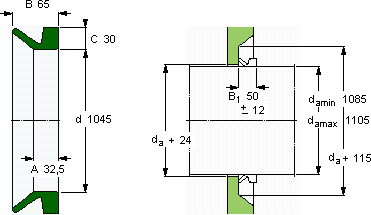
V形环密封件, VR4 设计
V形环密封件
da d A B C
最小 最大
mm mm - - - -
10851105104532,56530VR4RCR 411003411003

SKFCR411003V型圈密封供应商

八零动力专业销售CR411003V型圈密封,库存SKFCR411003大量现货,与SKF合作,咨询热线:022-58519723业务咨询
SKFCR411003质量无可挑剔的轴承,为设备的高效运作提供了有力支持先进的制造技术,让这款轴承的质量达到了行业领先水平它的材质选择,体现了对耐用性的极致追求 它在电子设备中的应用,展现了它的高精密性 它的稳定性,让它在各种环境下都能可靠工作 为您创造更多可能,,八零动力SKFV型圈密封品种全,价格优,质量有保证!

用户关注最多的SKF轴承型号

SKF16076MA SKF313811 SKF61913-2RS SKF6300-2RSL* SKFBT2B334112/HA3 SKFC3060M* SKFCR110x145x12CRW1R SKFCR21128 SKFCR30X42X8HMSA10RG SKFIR75x85x30 SKFNKX10ZTN SKFNN3021KTN9/SP SKFNU2256ECMA SKFP1.1/8RM SKFS7008FB/P7

CR411003V型圈密封近似的SKF轴承型号

SKFCR411003 SKFCR411000 SKFCR411004

用户关注最多的轴承狗热门型号

FAG  NU306-E-TVP2 TIMKEN  LM814849/LM814810 国产  FC3656180 NSK  7317BDF SKF  OKC130 SKF  322/28BJ2/Q FAG  LOE528-N-AF-L NSK  7306BYDB FAG  BND3180-H-W-T-BL-S TIMKEN  A-5220-WS STEYR  6003-2RS MAC  N240 FAG  H32/710-HG IKO  CR8 IKO  CRWM3-275

版权所有©2009-2015 轴承狗zcgou.com ICP备案:津ICP备14004550号-13