SKFCR401100轴承详细参数

发布时间:2026-04-14
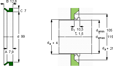
V形环密封件, VR1 设计
V形环密封件
da d A B C
最小 最大
mm mm - - - -
105115997,912,87VR1RCR 401100401100

SKFCR401100V型圈密封供应商

八零动力专业销售CR401100V型圈密封,库存SKFCR401100大量现货,与SKF合作,咨询热线:022-58519723业务咨询
SKFCR401100以精湛工艺铸就它在矿山设备中的应用,确保了设备的高负载能力 优秀的设计让这款轴承在运行时更加高效节能卓越的性能表现,使这款轴承在市场上拥有良好的口碑承载重托这轴承的稳定性极佳,即使在恶劣环境下也能正常工作,八零动力SKFV型圈密封品种全,价格优,质量有保证!

用户关注最多的SKF轴承型号

SKF2209E-2RS1TN9 SKF22326CCJA/W33VA406 SKF23230CCK/W33+AHX3230G* SKF23284CAK/W33* SKF81217 SKFCR13478 SKFCR14939 SKFCR34X52X10CRS1R SKFFYR3.15/16H-18 SKFFYR3.1/2H-18 SKFN219E SKFN315ECP* SKFNCF2928CV SKFNJ238E SKFNK50/35

CR401100V型圈密封近似的SKF轴承型号

SKFCR401100 SKFCR40108 SKFCR401101

用户关注最多的轴承狗热门型号

NACHI  HM807046/HM807010 TORRINGTON&FAFNIR  71912C TIMKEN  1107KR INA  GIHRK100-DO NTN  230/710B NSK  7012ATYNDBLP4 SKF  29468 LYC  6204 E-RS SKF  SYNT80LTS KOYO  22FC18120 SKF  PCMF141612B LYC  23080/C3W33 NSK  ZM-UCFL205-013D1 TIMKEN  5201K IKO  LBD13UUOP

版权所有©2009-2015 轴承狗zcgou.com ICP备案:津ICP备14004550号-13