SKFCR401001轴承详细参数

发布时间:2026-05-30
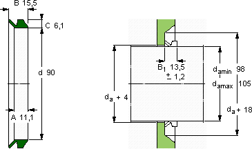
V形环密封件, VR2 设计
V形环密封件
da d A B C
最小 最大
mm mm - - - -
981059011,115,56,1VR2RCR 401001401001

SKFCR401001V型圈密封供应商

八零动力专业销售CR401001V型圈密封,库存SKFCR401001大量现货,与SKF合作,咨询热线:022-58519723业务咨询
SKFCR401001稳定持久它的抗磨损涂层,让它更加耐用 它的润滑技术,减少了润滑剂的使用 制造工艺精湛,使得这款轴承的精度和稳定性都非常出色轴承的耐用性极佳,能够承受高强度的工作负荷持久转动,八零动力SKFV型圈密封品种全,价格优,质量有保证!

用户关注最多的SKF轴承型号

SKF23972CC/W33 SKF30326J2 SKF618/800MA SKF7018ACD/P4A SKF7203CD/P4A SKF7206C/DT SKF7230BCBM SKFBT4B328974G/HA1VA901 SKFC3024KV+H3024* SKFCR8786 SKFFYTM1.11/16TF SKFGE110ES SKFJL69345F/310/Q SKFNUP213ECP* SKFSNL3252

CR401001V型圈密封近似的SKF轴承型号

SKFCR401001 SKFCR401000 SKFCR401004

用户关注最多的轴承狗热门型号

TIMKEN  484/472D+X2S-484 SKF  FY2.7/16TF/AH RIV  NU2207 SKF  FYRP3H-3 FAG  SNV110-L + 1310-K-TVH-C3 + H310 + TSV610 SNR  31314 LYC  6801 2RS 国产  K50*58*45ZW KOYO  296FC185110 NSK  QJ1019 SKF  NCF1864V KOYO  NU313 SKF  6211-ZNR* 国产  FC3452192 IKO  MAGFT6

版权所有©2009-2015 轴承狗zcgou.com ICP备案:津ICP备14004550号-13