SKF7413BCBM轴承详细参数

发布时间:2026-05-30
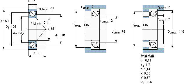
角接触球轴承, 单列
主要数据尺寸 尺寸 [英寸] 疲劳负荷限值 额定速度 体积 型号
动态 静态 参照速度 限制速度
d D B C C0 Pu
mm kN kN r/min kg -
651603713096,53,8500053003,857413 BCBM

SKF7413BCBM角接触球轴承供应商

八零动力专业销售7413BCBM角接触球轴承,库存SKF7413BCBM大量现货,与SKF合作,咨询热线:022-58519723业务咨询
SKF7413BCBM它的稳定性,让它在各种环境下都能可靠工作 它在纺织机械中的应用,确保了设备的高速运转 是您成功路上的得力助手,转动不停歇这款轴承的精度极高,能够满足对精度要求苛刻的设备它在化工设备中的应用,展现了它的耐腐蚀性 ,八零动力SKF角接触球轴承品种全,价格优,质量有保证!

用户关注最多的SKF轴承型号

SKF230/750CA/W33 SKF24130-2CS5K30/VT143* SKF25580/25522/Q SKF3208A-2RS1/MT33* SKF71924CE/HCP4A SKF7216BECBP* SKFBTM60A/P4CDBB SKFF3/4FM SKFFYRP3.11/16H-18 SKFGS89311 SKFHA210 SKFN2316. SKFNU2213E SKFPF1.3/16FM SKFSAFC3040KAx7.1/8

7413BCBM角接触球轴承近似的SKF轴承型号

SKF2x7413BCBM SKF2x7413BGAM SKF2x7413BGBM SKF7413BGAM SKF7413BGBM SKF7413BCBM SKF7412BM SKF7413BGAM

用户关注最多的轴承狗热门型号

LYC  NNU 4972 K/SPW33 国产  22215K NACHI  7316BDT SKF  3210A-Z KOYO  6001N KOYO  60/22-2RZ ZKL  30216 NTN  UCK313 SKF  CR75X115X13CRSH1R MRC  7214B/DB SKF  7028C/DF ZKL  32020 MRC  6212-Z DKF  7308B/DF NTN  230/500BK

版权所有©2009-2015 轴承狗zcgou.com ICP备案:津ICP备14004550号-13