SKF2x7413BGBM轴承详细参数

发布时间:2026-05-30
角接触球轴承, 单列,用于配对安装, 面对面配对
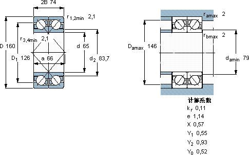
主要数据尺寸 基本负荷额定值 疲劳负荷限值 额定速度 体积 型号 轴承配对
动态 静态 参照速度 限制速度
d D 2B C C0 Pu
mm kN kN r/min kg --
65160742081937,65400053007,702 × 7413 BGBMDF

SKF2x7413BGBM角接触球轴承供应商

八零动力专业销售2x7413BGBM角接触球轴承,库存SKF2x7413BGBM大量现货,与SKF合作,咨询热线:022-58519723业务咨询
SKF2x7413BGBM是您机械世界里的不败功臣,设计合理、性能优良的它,是机械设备稳定运行的重要保障品质卓越的它,为机械设备的稳定、高效运行提供了支持优秀的设计让这款轴承在运行时更加高效节能它的质量卓越,为机械设备的安全运行保驾护航质量无可挑剔的轴承,为设备的高效运作提供了有力支持,八零动力SKF角接触球轴承品种全,价格优,质量有保证!

用户关注最多的SKF轴承型号

SKF24052CC/W33* SKF2x7212BEGAM* SKF307368B SKF3304ATN9* SKF7007ACD/P4A SKF71916FB/P7 SKFBT4B332906/HA4 SKFCR13688 SKFCR20445 SKFCR523826 SKFGE40TXE-2LS SKFHK0306TN SKFHMV170E SKFP80R-1.1/4TF SKFS7016FB/P7

2x7413BGBM角接触球轴承近似的SKF轴承型号

SKF7413BCBM SKF2x7413BGAM SKF7413BGAM SKF2x7413BCBM SKF7413BGBM SKF2x7413BGBM SKF2x7413BGAM SKF2x7414BCBM

用户关注最多的轴承狗热门型号

SKF  C71915FB/P7 SNR  33021 MRC  7206C/DB SNR  16013 SKF  81224TN FAG  7207-B-2RS-TVP TORRINGTON  HK0408 SKF  NNC4914CV LYC  22313 CAK/W33 SNR  7211C/DF NTN  23028B NTN  NU232 KOYO  RS434823A SKF  CR28800 IKO  GE50GS

版权所有©2009-2015 轴承狗zcgou.com ICP备案:津ICP备14004550号-13