SKF7412BM轴承详细参数

发布时间:2026-05-29
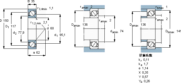
角接触球轴承, 单列
主要数据尺寸 尺寸 [英寸] 疲劳负荷限值 额定速度 体积 型号
动态 静态 参照速度 限制速度
d D B C C0 Pu
mm kN kN r/min kg -
601503511986,53,55560056003,307412 BM

SKF7412BM角接触球轴承供应商

八零动力专业销售7412BM角接触球轴承,库存SKF7412BM大量现货,与SKF合作,咨询热线:022-58519723业务咨询
SKF7412BM它在农业机械中的应用,展现了它的耐用性 它的品质卓越,是提升机械设备整体性能的关键所在它在航空航天领域的应用,展现了它的高可靠性 它的可靠性,赢得了无数工程师的信任 它在汽车工业中的应用,让车辆运行更加平稳 轴承的耐用性超乎想象,有效降低了设备的维护成本,八零动力SKF角接触球轴承品种全,价格优,质量有保证!

用户关注最多的SKF轴承型号

SKF16024* SKF218NR SKF22256CC/W33* SKF314964 SKF331503G/HA4 SKFCR180x200x12CRSHA1V SKFCR65X88X12HMSA10RG SKFCR65X100X10HMS5RG SKFCR7571 SKFFYTJ40TF SKFNCF2238V SKFNJ228E SKFNNU40/1000KM/W33 SKFS7/8FM SKFYAR209-111-2FW/VA228

7412BM角接触球轴承近似的SKF轴承型号

SKF7412BCBM SKF2x7412BCBM SKF2x7412BGAM SKF7412BGAM SKF7412BM SKF7412BGAM SKF7413BCBM

用户关注最多的轴承狗热门型号

NSK  6313NR FAG  6207-2Z 国产  16006 SKF  CR32477 SKF  H313 SKF  29324 国产  619/8 SKF  CR110x140x12CRW1R TIMKEN  5200KDD2 FAG  S3028-H-N-FZ-AB-L + 23028-E1-K-TVPB SKF  SAF22526x4.1/2 NTN  7830CDF 国产  NK32/20 FAG  AH3260-H 国产  NAP4202X1WB

版权所有©2009-2015 轴承狗zcgou.com ICP备案:津ICP备14004550号-13