SKF2x7413BGAM轴承详细参数

发布时间:2026-04-14
角接触球轴承, 单列,用于配对安装, 面对面配对
主要数据尺寸 基本负荷额定值 疲劳负荷限值 额定速度 体积 型号 轴承配对
动态 静态 参照速度 限制速度
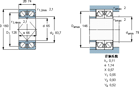
d D 2B C C0 Pu
mm kN kN r/min kg --
65160742081937,65400053007,702 × 7413 BGAMDF

SKF2x7413BGAM角接触球轴承供应商

八零动力专业销售2x7413BGAM角接触球轴承,库存SKF2x7413BGAM大量现货,与SKF合作,咨询热线:022-58519723业务咨询
SKF2x7413BGAM它的密封性能,完美抵御灰尘和杂质的侵袭 它的精密装配,确保了整体性能的卓越 它的高效率,减少了能源消耗 它的尺寸精度,达到了微米级的极致 高品质的轴承,在各种复杂环境下都能稳定发挥作用打造出了性能卓越的这款轴承,该轴承的精度控制达到了极致,八零动力SKF角接触球轴承品种全,价格优,质量有保证!

用户关注最多的SKF轴承型号

SKF22232CCK/W33+H3132 SKF3308A-Z SKF7200B/DT SKF7201ACD/P4A SKF7313B/DF SKFC4028K30V* SKFCR28X52X10HMSA10RG SKFCR9686 SKFCR99205 SKFFYL3/4THR SKFS7017FB/P7 SKFSNL4080GL SKFSNW17x2.15/16 SKFSNW3130x5.3/16 SKFWS81107

2x7413BGAM角接触球轴承近似的SKF轴承型号

SKF7413BCBM SKF7413BGAM SKF2x7413BGBM SKF2x7413BCBM SKF7413BGBM SKF2x7413BGAM SKF2x7413BCBM SKF2x7413BGBM

用户关注最多的轴承狗热门型号

FAG  24076-B-K30-MB SKF  24188ECAK30/W33+AOH24188* SKF  NX35 KOYO  47364 NSK  51417X SKF  NNCF5012CV FAG  SNV180-L + 20220-K-MB-C3 + H220X307 + DHV520X307 FAG  SNV230-L + 23226-E1-K-TVPB + H2326X412 + TCV526X41 STEYR  6216-RS LYC  7312 CM NACHI  7202 SKF  FSAF22615 IKO  LWH45...B IKO  LWH55...B IKO  OR142035A

版权所有©2009-2015 轴承狗zcgou.com ICP备案:津ICP备14004550号-13