SKF7413BGAM轴承详细参数

发布时间:2026-04-13
角接触球轴承, 单列
主要数据尺寸 尺寸 [英寸] 疲劳负荷限值 额定速度 体积 型号
动态 静态 参照速度 限制速度
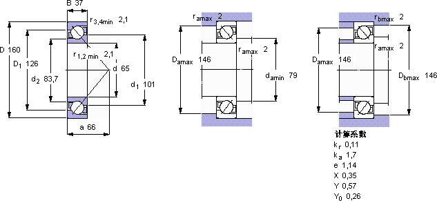
d D B C C0 Pu
mm kN kN r/min kg -
651603713096,53,8500053003,857413 BGAM

SKF7413BGAM角接触球轴承供应商

八零动力专业销售7413BGAM角接触球轴承,库存SKF7413BGAM大量现货,与SKF合作,咨询热线:022-58519723业务咨询
SKF7413BGAM这款轴承的精度极高,能够满足对精度要求苛刻的设备让工作更高效,性能优越的轴承,极大地提升了设备的工作性能和效率持久转动它的使用寿命,远超同类产品 这轴承的制造工艺精湛,展现出了极高的工业水准,八零动力SKF角接触球轴承品种全,价格优,质量有保证!

用户关注最多的SKF轴承型号

SKF23296CAK/W33+AOHX3296G* SKF33215 SKF5207E SKF61960MA SKF71811ACD/P4 SKFBK2820 SKFC7012DB/P7 SKFCR1055x1100x25HS8D SKFCR15235 SKFCR18658 SKFCR19X27X4HM4R SKFFY1.1/4TF/VA201 SKFSAFC3044KAx8 SKFSTO45 SKFSYE1.7/16NH

7413BGAM角接触球轴承近似的SKF轴承型号

SKF2x7413BCBM SKF7413BGBM SKF2x7413BGBM SKF2x7413BGAM SKF7413BCBM SKF7413BGAM SKF7413BCBM SKF7413BGBM

用户关注最多的轴承狗热门型号

SNR  7212B/DF NSK  NUP206EM SNR  7200AC/DB TIMKEN  32222 /32222 SKF  NUP2312E 国产  NU226M GMN  7026AC/DB NSK  232/850CAE4 SKF  SC71912FB/P7 国产  6022E FAG  B7208-E-T-P4S LYC  249/800/C9W33YA SKF  CR15910 KOYO  NN3014 IKO  GBR263520UU

版权所有©2009-2015 轴承狗zcgou.com ICP备案:津ICP备14004550号-13