SKF7320BEP轴承详细参数

发布时间:2026-05-29
角接触球轴承, 单列
主要数据尺寸 尺寸 [英寸] 疲劳负荷限值 额定速度 体积 型号
动态 静态 参照速度 限制速度
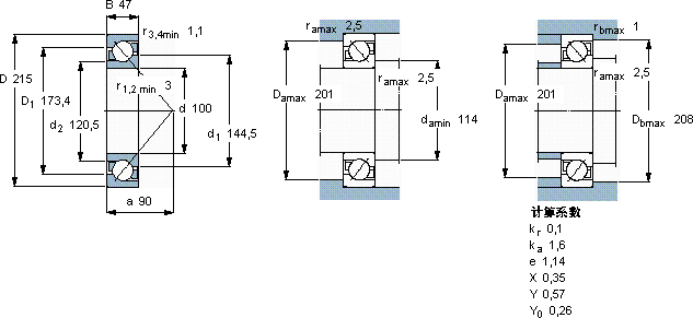
d D B C C0 Pu
mm kN kN r/min kg -
100215472031906,4360036007,177320 BEP

SKF7320BEP角接触球轴承供应商

八零动力专业销售7320BEP角接触球轴承,库存SKF7320BEP大量现货,与SKF合作,咨询热线:022-58519723业务咨询
SKF7320BEP轴承的性能可靠,为机械设备的稳定运行立下汗马功劳卓越的设计理念,赋予了这款轴承超凡的性能转动的艺术它的密封性能,减少了润滑剂的泄漏 它的微观表面处理,减少了摩擦和磨损 这款轴承的精度极高,能够满足对精度要求苛刻的设备,八零动力SKF角接触球轴承品种全,价格优,质量有保证!

用户关注最多的SKF轴承型号

SKF239/670CAK/W33* SKF29264 SKF71940ACD/P4A SKFA4059/A4138 SKFAH24130 SKFCR42X65X10HMS5V SKFCR87785 SKFFYC25FM SKFK10x14x13TN SKFMS31/710 SKFNU2215E SKFNUP214ECP SKFPCM121420M SKFSIKAC30M SKFT4DB150

7320BEP角接触球轴承近似的SKF轴承型号

SKF7320B/DB SKF7320BEM SKF7320BEM SKF7320BEGBY SKF2x7320BECBY SKF2x7320BECBP* SKF7320BEGAF SKF7320BEGAP* SKF7320BEP SKF2x7320BECCM* SKF7320BEM SKF7320BEY

用户关注最多的轴承狗热门型号

NTN  231/670B TIMKEN  77375/77675-B STEYR  7316B/DT LYC  23092/C3 MRC  3304A-Z LYC  2797/760G2 TORRINGTON  23040CCK/W33 SKF  CR50X65X10HMS5V TIMKEN  *T711FSS-T711S NSK  45BER10H TORRINGTON  22207CC/W33 FAG  BND3068-H-C-Y-BL-S SKF  7206BECBM NACHI  NUP318 TIMKEN  23996YMB

版权所有©2009-2015 轴承狗zcgou.com ICP备案:津ICP备14004550号-13