SKF7319BEM轴承详细参数

发布时间:2026-04-14
角接触球轴承, 单列
主要数据尺寸 尺寸 [英寸] 疲劳负荷限值 额定速度 体积 型号
动态 静态 参照速度 限制速度
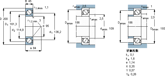
d D B C C0 Pu
mm kN kN r/min kg -
95200451681505,2380040006,417319 BEM

SKF7319BEM角接触球轴承供应商

八零动力专业销售7319BEM角接触球轴承,库存SKF7319BEM大量现货,与SKF合作,咨询热线:022-58519723业务咨询
SKF7319BEM先进的生产工艺,打造出了这款性能卓越的轴承轴承的稳定性和可靠性表现卓越,赢得了广泛赞誉它的品质卓越,是提升机械设备整体性能的关键所在它的耐高温性能,减少了冷却系统的能耗 设计独特的轴承,不仅性能优越,还具有很高的性价比卓越的性能表现,让这款轴承在市场上脱颖而出,八零动力SKF角接触球轴承品种全,价格优,质量有保证!

用户关注最多的SKF轴承型号

SKF2207K+H307 SKF71919ACD/P4A SKFCR11550 SKFC3164M* SKFCR26X47X7HMS5RG SKFCR15818 SKFCR25652 SKFCR46155 SKFCR65037 SKFKMK15 SKFN217E SKFNJ2212ECP SKFNU1996KMA SKFOH3176HE SKFP72R-1.1/8FM

7319BEM角接触球轴承近似的SKF轴承型号

SKF7319B SKF7319BECBP* SKF2x7319BEGBY SKF7319BEP SKF7319BEGAM* SKF7319BEM SKF7319BEGAY SKF7319BECBM SKF7319B/DB SKF2x7319BECBM* SKF7319BEGBY SKF7319BEP

用户关注最多的轴承狗热门型号

FAG  SD3148-H-TS-BF-L + 231SM220-MA SKF  OH3988H KOYO  6222 NTN  31307 LYC  607 2RS KOYO  6214 TIMKEN  HH932132/HH932110 INA  NNTR60X150X75-2ZL SKF  CR590x630x20HDS1R1 TIMKEN  GE20KRR FYH  UCFU205 INA  RITZ-023063-PF INA  KUSE35 FAG  SNV090-L + 22210-E1-K + H310X112 + FSV510 MRC  7005C

版权所有©2009-2015 轴承狗zcgou.com ICP备案:津ICP备14004550号-13