SKF7319BECBP*轴承详细参数

发布时间:2026-04-14
角接触球轴承, 单列
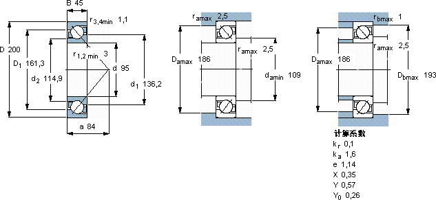
主要数据尺寸 尺寸 [英寸] 疲劳负荷限值 额定速度 体积 型号
动态 静态 参照速度 限制速度
d D B C C0 Pu * - SKF Explorer 轴承
mm kN kN r/min kg -
95200451801635,7430043005,777319 BECBP *

SKF7319BECBP*角接触球轴承供应商

八零动力专业销售7319BECBP*角接触球轴承,库存SKF7319BECBP*大量现货,与SKF合作,咨询热线:022-58519723业务咨询
SKF7319BECBP*它的抗冲击性能,让它经得起各种考验 承载未来制造工艺精湛,使得这款轴承在运转时更加顺畅平稳轴承的耐用性出色,能够长时间保持良好的工作状态承载重托这轴承的稳定性极佳,在高速运转时也能保持良好状态,八零动力SKF角接触球轴承品种全,价格优,质量有保证!

用户关注最多的SKF轴承型号

SKF23160CCK/W33+OH3160H* SKF23272CAK/W33* SKF240/900ECA/W33 SKF2x7416GAM SKF7204BECBY SKFBC2B322340/HB1VJ202 SKFCR29262 SKFCR402752 SKFCR630x670x20HDS1R SKFCR86562 SKFFBSA208A/QFC SKFRLS9-2Z SKFSAF22620x3.3/8 SKFUE202 SKFW21

7319BECBP*角接触球轴承近似的SKF轴承型号

SKF7319BEGAF SKF7319BECBP SKF7319BECBM* SKF2x7319BEGBY SKF7319BECBY SKF7319B SKF7319BEP SKF7319BECBY SKF7319BEGAY SKF7319B/DF SKF7319BECBM* SKF7319BECBY

用户关注最多的轴承狗热门型号

FAG  SNV090-L + 1308-K-TVH-C3 + H308 + DH608 SKF  NUP314ECML* SKF  BC4-8004/HA1VA907 SNR  7207AC/DT FAG  SNV052-L + 21304-E1-TVPB + DH304 SKF  C4013K30V* SKF  UELFU209 SNR  609-RS SKF  CR23808 LYC  NJ 2334 M NTN  23144CC/W33 SKF  2x7340BCBM SKF  315599A IKO  NAST35ZZR IKO  LWE30...SL

版权所有©2009-2015 轴承狗zcgou.com ICP备案:津ICP备14004550号-13