SKF7318BECBY轴承详细参数

发布时间:2026-04-14
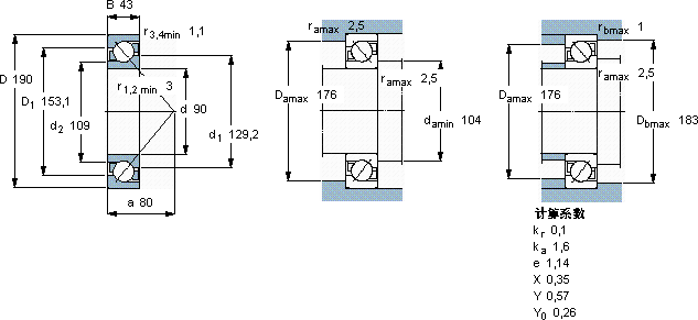
角接触球轴承, 单列
主要数据尺寸 尺寸 [英寸] 疲劳负荷限值 额定速度 体积 型号
动态 静态 参照速度 限制速度
d D B C C0 Pu
mm kN kN r/min kg -
90190431651465,2400040005,227318 BECBY

SKF7318BECBY角接触球轴承供应商

八零动力专业销售7318BECBY角接触球轴承,库存SKF7318BECBY大量现货,与SKF合作,咨询热线:022-58519723业务咨询
SKF7318BECBY高品质的轴承,在各种复杂环境下都能稳定发挥作用运转起来如此顺滑,这款轴承的制造工艺着实令人赞叹它的可回收性,减少了废弃物处理成本 它的精密性,让它在高精度设备中无可替代 它的高效率,让机械运转更加节能 质量无可挑剔的轴承,为设备的高效运作提供了有力支持,八零动力SKF角接触球轴承品种全,价格优,质量有保证!

用户关注最多的SKF轴承型号

SKF23296CAC/W33 SKF7240BCBM SKFCR11124 SKFCR20X28X4HM4R SKFCR35X52X10HMS5RG SKFCR419003 SKFFSYE2.11/16N-118 SKFLM742747A/710 SKFN2207 SKFNJ328ECNML* SKFNK70/35 SKFNU224ECP* SKFPCM252840B SKFSC7015DB/P7 SKFSNW3024x4.1/8

7318BECBY角接触球轴承近似的SKF轴承型号

SKF7318BEP SKF7318BEGAP* SKF7318BECBY SKF2x7318BECBM* SKF7318BECBP* SKF2x7318BECBP* SKF7318BECBM SKF2x7318BEGAY SKF7318BECBP SKF2x7318BECBY SKF7318BECBP* SKF7318BEGAP*

用户关注最多的轴承狗热门型号

国产  30/600 SKF  CR4940 NSK  23938CAE4 SKF  CR400085 FAG  SNV140-L + 1313-TVH + TSV313 TIMKEN  26131/26282D+X1S-26131 SNR  6004-RS LYC  22328 CA/C3 NSK  UCF211-200D1 RIV  NU1022 SKF  SAFC2234 SKF  CR99x124x9.53CRW1R NSK  7911A5DF NACHI  6308NR IKO  CF30-2VBR

版权所有©2009-2015 轴承狗zcgou.com ICP备案:津ICP备14004550号-13