SKF7318BECBM*轴承详细参数

发布时间:2026-05-30
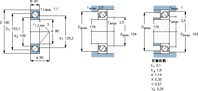
角接触球轴承, 单列
主要数据尺寸 尺寸 [英寸] 疲劳负荷限值 额定速度 体积 型号
动态 静态 参照速度 限制速度
d D B C C0 Pu * - SKF Explorer 轴承
mm kN kN r/min kg -
90190431661465,3450045005,537318 BECBM *

SKF7318BECBM*角接触球轴承供应商

八零动力专业销售7318BECBM*角接触球轴承,库存SKF7318BECBM*大量现货,与SKF合作,咨询热线:022-58519723业务咨询
SKF7318BECBM*它的精密装配,确保了整体性能的卓越 承载重载历经岁月精湛的制造工艺赋予了这款轴承卓越的性能和品质 它在航空航天领域的应用,展现了它的高可靠性 轴承的稳定性和可靠性表现出色,赢得了用户的高度认可以卓越品质,八零动力SKF角接触球轴承品种全,价格优,质量有保证!

用户关注最多的SKF轴承型号

SKF2213EKTN9 SKF628/9-2Z SKF62/28 SKF7226B/DF SKFBT4-8033G/HA1 SKFBT4B334136G/HA1VA901 SKFCR34279 SKFCR48X79X17.5CRSA1P SKFFSNL616TURU SKFGX100F SKFKMT36 SKFLM12749/711/Q SKFNUP313ECML* SKFSY3/4WF SKFZW85x100

7318BECBM*角接触球轴承近似的SKF轴承型号

SKF7318BECBM* SKF7318BECBY SKF2x7318BEGAP* SKF2x7318BECBM* SKF7318BEP SKF7318BEM SKF7318B/DB SKF2x7318BEGAY SKF7318BEGAP* SKF7318B/DT SKF7318BECBJ SKF7318BECBP*

用户关注最多的轴承狗热门型号

TIMKEN  RA108RR SKF  3322 SKF  NU214ECJ* INA  SL185007 GMN  7003AC/DF SKF  23218CCK/W33+H2318 FAG  SNV215-L + 20224-K-MB-C3 + H3024 + TCV524 -  7334AC FAG  3210-B-2RSR-TVH NACHI  7309CDT RHP  7012C/DF TIMKEN  HM231140/HM231116D+HM231140XA NTN  16017 NSK  90BNR19X IKO  CRW15-1100

版权所有©2009-2015 轴承狗zcgou.com ICP备案:津ICP备14004550号-13