SKF7318BEGAY轴承详细参数

发布时间:2026-04-14
角接触球轴承, 单列
主要数据尺寸 尺寸 [英寸] 疲劳负荷限值 额定速度 体积 型号
动态 静态 参照速度 限制速度
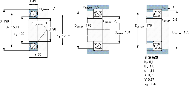
d D B C C0 Pu
mm kN kN r/min kg -
90190431651465,2400040005,227318 BEGAY

SKF7318BEGAY角接触球轴承供应商

八零动力专业销售7318BEGAY角接触球轴承,库存SKF7318BEGAY大量现货,与SKF合作,咨询热线:022-58519723业务咨询
SKF7318BEGAY卓越的性能表现,让这款轴承在市场上脱颖而出它机械世界的心脏,默默支撑着无数设备的运转 设计合理、性能优良的它,是机械设备实现高效运行的重要保障它的疲劳强度,确保了长期使用的可靠性 以精湛工艺高品质的轴承,在各种复杂环境下都能稳定发挥作用,八零动力SKF角接触球轴承品种全,价格优,质量有保证!

用户关注最多的SKF轴承型号

SKF273 SKF4209ATN9 SKF61909 SKFBTM120B/P4CDBB SKFCR16X26X7HMS1R SKFK25x30x26ZW SKFNA6906 SKFNJ315ECML* SKFNK32/20 SKFPDNB208 SKFPFT1.1/16FM SKFRNA6907 SKFRNA6912 SKFS71917ACD/HCP4A SKFSYE3.1/2NH

7318BEGAY角接触球轴承近似的SKF轴承型号

SKF2x7318BECBM* SKF7318BECBP SKF7318B/DF SKF7318BECBY SKF7318BECBM SKF7318BEP SKF2x7318BECBP* SKF2x7318BECBY SKF7318B/DT SKF2x7318BEGAP* SKF7318BEGAP* SKF7318BEM

用户关注最多的轴承狗热门型号

ZKL  NJ252 NACHI  16019 TIMKEN  SDAF23288K INA  G1015-KRR-B-AS2/V NTN  NK100/36 SKF  CR6757 NSK  NU2312W LYC  352064 X2/C9 KOYO  24138CC/W33 NSK  7002CDB KOYO  29320R MRC  6202 SKF  KRV32PPA 国产  22212 IKO  GBR263520U

版权所有©2009-2015 轴承狗zcgou.com ICP备案:津ICP备14004550号-13