SKF2x7318BEGAY轴承详细参数

发布时间:2026-05-29
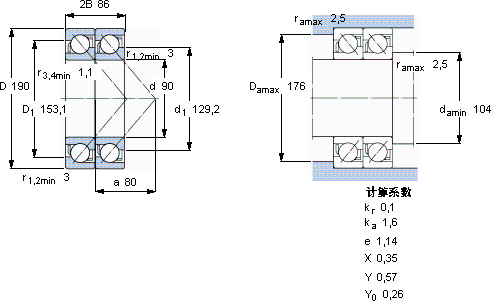
角接触球轴承, 单列,用于配对安装, 前后配对
主要数据尺寸 基本负荷额定值 疲劳负荷限值 额定速度 体积 型号 轴承配对
动态 静态 参照速度 限制速度
d D 2B C C0 Pu
mm kN kN r/min kg --
901908627029010,43200400010,52 × 7318 BEGAYDT

SKF2x7318BEGAY角接触球轴承供应商

八零动力专业销售2x7318BEGAY角接触球轴承,库存SKF2x7318BEGAY大量现货,与SKF合作,咨询热线:022-58519723业务咨询
SKF2x7318BEGAY这轴承的制造工艺精湛,展现出了极高的工业水准先进的制造工艺,让这款轴承的性能更加稳定可靠它的每一次转动,都是对精准度的极致追求 优秀的轴承,就像精密仪器的心脏,确保着整个系统的高效运转旋转无忧它在建筑机械中的应用,确保了设备的可靠性 ,八零动力SKF角接触球轴承品种全,价格优,质量有保证!

用户关注最多的SKF轴承型号

SKF2x7214BECBP* SKF71914FB/P7 SKF7204CD/HCP4A SKF87737/87111 SKFC3022K+H322E* SKFCR110x130x13CRSA1R SKFCR28425 SKFCR28X47X7HMS5RG SKFF3/4FM SKFGEZ312ES SKFMB10C SKFMB16 SKFNNU4964BK/SPW33 SKFS7008FB/P7 SKFSDAF23252KAx9.7/16

2x7318BEGAY角接触球轴承近似的SKF轴承型号

SKF7318BECBJ SKF7318B/DF SKF7318BEM SKF7318B/DB SKF7318BEP SKF7318BEM SKF7318BEGAY SKF2x7318BECBM* SKF2x7318BECBP* SKF2x7318BEGAY SKF2x7318BEGAP* SKF2x7319BECBM*

用户关注最多的轴承狗热门型号

ZKL  32305 NTN  BK1010 TIMKEN  124W MRC  6217-2RS FAG  BND3264-H-W-Y-BF-S NTN  NJ226 TIMKEN  EE780705/781400 GMN  7038C/DF SKF  CR92534 SKF  C3188KMB+AOHX3188G* SNR  7219AC RIV  NF2328 TORRINGTON  22336CC/W33 SKF  CR403252 SKF  3218A/W64*

版权所有©2009-2015 轴承狗zcgou.com ICP备案:津ICP备14004550号-13