SKF7318BECBP*轴承详细参数

发布时间:2026-04-15
角接触球轴承, 单列
主要数据尺寸 尺寸 [英寸] 疲劳负荷限值 额定速度 体积 型号
动态 静态 参照速度 限制速度
d D B C C0 Pu * - SKF Explorer 轴承
mm kN kN r/min kg -
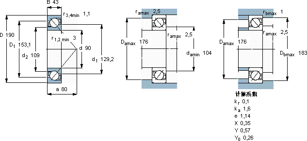
90190431661465,3450045004,987318 BECBP *

SKF7318BECBP*角接触球轴承供应商

八零动力专业销售7318BECBP*角接触球轴承,库存SKF7318BECBP*大量现货,与SKF合作,咨询热线:022-58519723业务咨询
SKF7318BECBP*其设计和制造工艺都达到了国际先进水平,是一款优质轴承高精度低摩擦轴承的稳定性和可靠性表现卓越,赢得了广泛赞誉转动不停歇它的滚动体分布均匀,运转平稳无振动 优秀的设计理念和精湛的制造工艺,成就了这款优秀的轴承,八零动力SKF角接触球轴承品种全,价格优,质量有保证!

用户关注最多的SKF轴承型号

SKF210-ZNR SKF52230M SKF7326BM SKFBC2-8022/HA1 SKFBT4B334055ABG/HA1VA902* SKFCR105X140X12HMS5V SKFCR10634 SKFCR68x95x10CRW1V SKFFY2.7/16TF/VA201 SKFHE205 SKFNU228ECJ* SKFSDAF23072KAx13.7/16 SKFSDAF23268 SKFSYNT90LTS SKFUCFU210

7318BECBP*角接触球轴承近似的SKF轴承型号

SKF2x7318BECBY SKF7318B SKF2x7318BEGAP* SKF7318BECBM SKF2x7318BECBP* SKF7318BEGAY SKF7318BECBP SKF7318BEP SKF7318BECBP* SKF7318BEM SKF7318BECBM* SKF7318BECBY

用户关注最多的轴承狗热门型号

SKF  33014/Q KOYO  33020 FAG  SNV180-L + 1220-K-M-C3 + H220X311 + DH520X310 TORRINGTON  23244CCK/W33+H2344 SKF  7010C/DF SKF  6212/VA201 FAG  SD3156-H-TS-BF-L + 231SM260-MA NSK  2220K SKF  NU2215E KOYO  JM716649/10 国产  6313-2RS/Z3 NSK  NN3934MBKR SKF  331700 TORRINGTON  22244CC/W33 IKO  TA2520Z

版权所有©2009-2015 轴承狗zcgou.com ICP备案:津ICP备14004550号-13