SKF7316BEP轴承详细参数

发布时间:2026-05-30
角接触球轴承, 单列
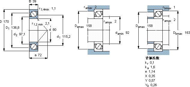
主要数据尺寸 尺寸 [英寸] 疲劳负荷限值 额定速度 体积 型号
动态 静态 参照速度 限制速度
d D B C C0 Pu
mm kN kN r/min kg -
80170391351104,15450045003,647316 BEP

SKF7316BEP角接触球轴承供应商

八零动力专业销售7316BEP角接触球轴承,库存SKF7316BEP大量现货,与SKF合作,咨询热线:022-58519723业务咨询
SKF7316BEP质量上乘的轴承,为设备的高效稳定运行奠定了基础高品质的轴承,在各种复杂环境下都能稳定发挥作用它在建筑机械中的应用,确保了设备的可靠性 高精度与高可靠性的完美结合,成就了这款杰出的轴承它的滚动体分布均匀,运转平稳无振动 它的抗疲劳性能,确保了长期使用的可靠性 ,八零动力SKF角接触球轴承品种全,价格优,质量有保证!

用户关注最多的SKF轴承型号

SKF24034-2CS5/VT143* SKF24132CC/W33 SKF61805-RZ SKFBDA-8002 SKFC71919DB/P7 SKFCR32393 SKFCR400085 SKFCR400324 SKFFSYE2.15/16H-18 SKFKD2-253 SKFNCF1888V SKFNNU49/500B/SPW33X SKFNU311E SKFSNL30/500GF SKFSDAF23072KAx12.15/16

7316BEP角接触球轴承近似的SKF轴承型号

SKF2x7316BECCM* SKF7316BEM SKF7316BEP SKF7316B SKF2x7316BEGAM* SKF2x7316BEGAP* SKF2x7316BECBP* SKF2x7316BECBM* SKF7316BEY SKF7316BECBP SKF7316BEM SKF7316BEY

用户关注最多的轴承狗热门型号

MAC  NU1008 SKF  NJ216ECP FAG  BND3122-H-W-T-AL-S SKF  CR1500243 FAG  SNV200-L + 222SM100-TVPA + TCV522 NTN  NJ216E FAG  23072-K-MB + H3072 SNR  63/22-Z LYC  6816 ZZ RIV  NF222 SKF  CR35X55X7HMS5V 国产  32928 TIMKEN  387AS/382A MRC  6006-2Z SKF  309

版权所有©2009-2015 轴承狗zcgou.com ICP备案:津ICP备14004550号-13