SKF7316BEY轴承详细参数

发布时间:2026-04-15
角接触球轴承, 单列
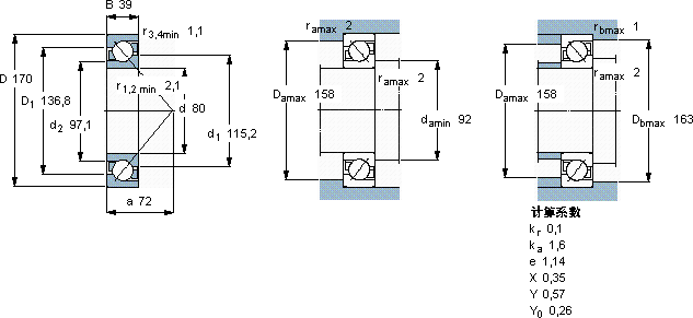
主要数据尺寸 尺寸 [英寸] 疲劳负荷限值 额定速度 体积 型号
动态 静态 参照速度 限制速度
d D B C C0 Pu
mm kN kN r/min kg -
80170391431184,5450045003,707316 BEY

SKF7316BEY角接触球轴承供应商

八零动力专业销售7316BEY角接触球轴承,库存SKF7316BEY大量现货,与SKF合作,咨询热线:022-58519723业务咨询
SKF7316BEY它的微观表面处理,减少了摩擦和磨损 它的质量卓越,为机械设备的安全运行保驾护航它的旋转精度,让高速运转成为现实 它在船舶工业中的应用,展现了它的耐腐蚀性 轴承的耐用性强,减少了设备的停机维护时间优秀的轴承,就像精密仪器的心脏,确保着整个系统的高效运转,八零动力SKF角接触球轴承品种全,价格优,质量有保证!

用户关注最多的SKF轴承型号

SKF22234CCK/W33+AH3134G* SKF24088CACK30/W33 SKF2x7310BEGAP* SKF30304J2/Q SKF6304-RS SKF7010CD/HCP4A SKFCR3806 SKFCR58760 SKFFY25FM SKFHMV90E SKFKMT5 SKFM86647/610/Q/QCL7C SKFN2313 SKFTUL25TH SKFVJ-PDPF2214

7316BEY角接触球轴承近似的SKF轴承型号

SKF7316BECBM SKF7316BEGBY SKF7316BEGAP* SKF7316BEP SKF7316B SKF7316BEGAM* SKF7316BECBP SKF7316BEM SKF2x7316BEGBY SKF2x7316BECCM* SKF7316BEP SKF7317B

用户关注最多的轴承狗热门型号

DKF  7219AC/DB INA  LFS52-CHEE SNR  51111 SKF  609-2RZ SKF  NUP207ECP LYC  LY-6003 KINGON  MF128ZZ SKF  628-2RZ SKF  CR17X30X7HMS5RG NACHI  5212A TIMKEN  39KD NTN  NUP408 INA  NK6/10-TV SKF  2x7214BECBP* RHP  7003C/DF

版权所有©2009-2015 轴承狗zcgou.com ICP备案:津ICP备14004550号-13