SKF2x7316BECBM*轴承详细参数

发布时间:2026-04-15
角接触球轴承, 单列,用于配对安装, 面对面配对
主要数据尺寸 基本负荷额定值 疲劳负荷限值 额定速度 体积 型号 轴承配对
动态 静态 参照速度 限制速度
d D 2B C C0 Pu * - SKF Explorer 轴承
mm kN kN r/min kg --
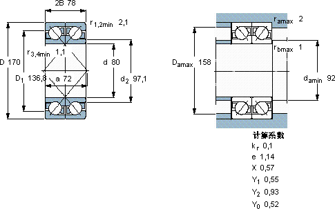
80170782362369400050008,052 × 7316 BECBM *DF

SKF2x7316BECBM*角接触球轴承供应商

八零动力专业销售2x7316BECBM*角接触球轴承,库存SKF2x7316BECBM*大量现货,与SKF合作,咨询热线:022-58519723业务咨询
SKF2x7316BECBM*它的加工设备,代表了世界领先水平 它在机床设备中的应用,确保了加工精度 优秀的轴承,就像精密仪器的心脏,确保着整个系统的高效运转出色的性能表现,让这款轴承成为行业内的明星产品,这款轴承的精度极高,能够满足对精度要求苛刻的设备它的抗磨损涂层,让它更加耐用 ,八零动力SKF角接触球轴承品种全,价格优,质量有保证!

用户关注最多的SKF轴承型号

SKF1210EKTN9+H210 SKF23952CC/W33 SKF6002N SKF6009-Z* SKFAS0619 SKFBMB-6208/080S2/EB002A SKFBT4B332934/HA1 SKFCR65X100X10HMSA10RG SKFCR80X100X12HMSA10RG SKFHMV26E SKFN326E SKFNJ314ECML* SKFPCM374020E SKFSI30ES SKFW607-2RS1

2x7316BECBM*角接触球轴承近似的SKF轴承型号

SKF7316BECBM SKF7316BECCM* SKF2x7316BECBP* SKF7316B/DB SKF2x7316BEGAP* SKF7316BECBY SKF7316BECBP* SKF7316BEP SKF7316BEM SKF7316BECBM* SKF2x7316BECBJ SKF2x7316BECBP*

用户关注最多的轴承狗热门型号

NSK  7304BDB FAG  BND3272-H-C-T-AL-S NSK  7302BWDF TORRINGTON FAFNIR  6201-2RS NACHI  SN314FC SKF  CR41X56X7HMS5RG SKF  NK40/30 NTN  23060CACK/33+H3060 FAG  22317-E1 SKF  CR40X65X10HMS5V SKF  SYR1.11/16-18 LYC  23068 K/W33 NACHI  53422 SKF  FYRP2.11/16 INA  PR14135

版权所有©2009-2015 轴承狗zcgou.com ICP备案:津ICP备14004550号-13