SKF7315BEP轴承详细参数

发布时间:2026-04-29
角接触球轴承, 单列
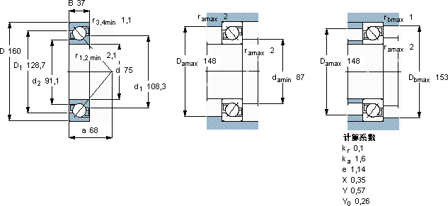
主要数据尺寸 尺寸 [英寸] 疲劳负荷限值 额定速度 体积 型号
动态 静态 参照速度 限制速度
d D B C C0 Pu
mm kN kN r/min kg -
7516037125983,8500050003,067315 BEP

SKF7315BEP角接触球轴承供应商

八零动力专业销售7315BEP角接触球轴承,库存SKF7315BEP大量现货,与SKF合作,咨询热线:022-58519723业务咨询
SKF7315BEP其设计和制造工艺都达到了国际先进水平,是一款优质轴承是您设备高效运转的可靠伙伴,为设备的精确运行提供了保障,该轴承的精度控制精准,为设备的精确运行提供了保障它的质量卓越,为机械设备的安全运行保驾护航它的旋转精度,让高速运转成为现实 它的长寿命,减少了更换频率 ,八零动力SKF角接触球轴承品种全,价格优,质量有保证!

用户关注最多的SKF轴承型号

SKF2x7214BECBP* SKF2x7313BECBY SKF318 SKF6205N* SKF71906CE/HCP4A SKFBT4B328827G/HA4VA901 SKFCR100X125X12HMSA10V SKFCR12369 SKFKMT36 SKFNA4908.2RS/W64 SKFNU10/600 SKFOH2356H SKFPCM121410M SKFSAW23532X5.3/8 SKFYET206-103

7315BEP角接触球轴承近似的SKF轴承型号

SKF7315BECBP SKF7315BEGAM* SKF2x7315BEGAP* SKF7315BEGAP* SKF2x7315BEGAM* SKF7315B/DB SKF7315B SKF7315BECBPH* SKF7315BEP SKF2x7315BECBM* SKF7315BEGAP* SKF7316B

用户关注最多的轴承狗热门型号

FAG  SNV120-L + 21311-E1-K + H311 + TSV611 FAG  BND3024-H-W-Y-BF-S LYC  6204 E-2Z/C3LHT TORRINGTON FAFNIR  635 BARDEN  7036AC/DF NTN  23164CACK/W33+H3164 LYC  QJF 1056 M 国产  23232CA LYC  7348 B/P6 FAG  SNV170-L + 2219-K-M-C3 + H319 + TCV519 INA  KWVE55-B-KT-SL FAG  23026-E1A-K-M + AHX3026 LYC  NJ 226 EF1 LYC  KNL 52.412X71.425X43.3 STEYR  51338

版权所有©2009-2015 轴承狗zcgou.com ICP备案:津ICP备14004550号-13