SKF7315BECBY轴承详细参数

发布时间:2026-04-15
角接触球轴承, 单列
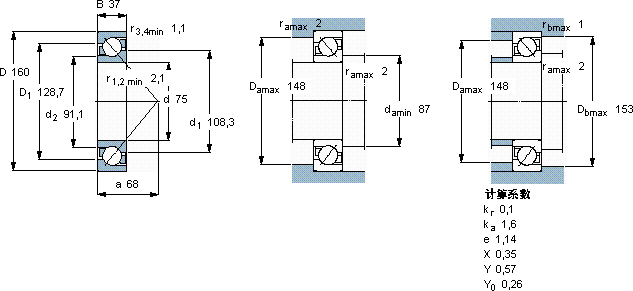
主要数据尺寸 尺寸 [英寸] 疲劳负荷限值 额定速度 体积 型号
动态 静态 参照速度 限制速度
d D B C C0 Pu
mm kN kN r/min kg -
75160371331064,15500050003,207315 BECBY

SKF7315BECBY角接触球轴承供应商

八零动力专业销售7315BECBY角接触球轴承,库存SKF7315BECBY大量现货,与SKF合作,咨询热线:022-58519723业务咨询
SKF7315BECBY引领转动新潮流,它在冶金设备中的应用,确保了设备的高温性能 为设备的精确运行提供了保障,该轴承的精度控制精准,为设备的精确运行提供了保障它的轻量化设计,减少了运输成本 它的长寿命,减少了资源浪费 它的质量过硬,为机械设备的高效、安全运行提供了保障,八零动力SKF角接触球轴承品种全,价格优,质量有保证!

用户关注最多的SKF轴承型号

SKF1319K+H319 SKF216-Z SKF3304A-RS SKF6200-2RS SKF6301/HR11QN SKF6307* SKF71952CD/P4A SKF7238B/DB SKF89318M SKFBT4B332967/HA4 SKFNK17/16 SKFPFD1.7/16FM SKFQJ217N2MA* SKFSIA70TXE-2LS SKFSYNT45F

7315BECBY角接触球轴承近似的SKF轴承型号

SKF2x7315BEGAM* SKF2x7315BEGBP* SKF2x7315BECBM* SKF7315BECBJ SKF7315B/DF SKF7315B/DB SKF7315BEGAM* SKF2x7315BECBJ SKF7315BECBPH* SKF7315BECBY SKF7315BECBPH* SKF7315BEGAM*

用户关注最多的轴承狗热门型号

LYC  23052/W33 NSK  6822DDU LYC  527/950.8/P5YB2 SKF  PWM120135100 国产  6217-Z SKF  C3030V* FAG  SNV080-L + 1208-K-TVH-C3 + H208X105 + TCV508X105 INA  LR10X13X12,5 TIMKEN  EE101103/101601CD+X2S-101103 NTN  6311 KOYO  47T745238J TIMKEN  28985/28921D+X3S-28985 RHP  7209C/DF STEYR  NJ208 MRC  6213-2RS

版权所有©2009-2015 轴承狗zcgou.com ICP备案:津ICP备14004550号-13