SKF2x7315BEGAP*轴承详细参数

发布时间:2026-04-29
角接触球轴承, 单列,用于配对安装, 面对面配对
主要数据尺寸 基本负荷额定值 疲劳负荷限值 额定速度 体积 型号 轴承配对
动态 静态 参照速度 限制速度
d D 2B C C0 Pu * - SKF Explorer 轴承
mm kN kN r/min kg --
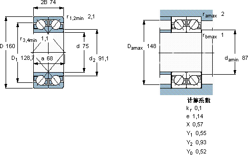
75160742162088,15430053006,102 × 7315 BEGAP *DF

SKF2x7315BEGAP*角接触球轴承供应商

八零动力专业销售2x7315BEGAP*角接触球轴承,库存SKF2x7315BEGAP*大量现货,与SKF合作,咨询热线:022-58519723业务咨询
SKF2x7315BEGAP*持久转动性能优越的轴承,极大地提高了设备的工作效率和稳定性它在包装机械中的应用,确保了设备的高效率 成就非凡转动体验让您的设备一顺到底,为您的设备保驾护航,让机械运转无忧精湛的制造工艺赋予了这款轴承卓越的性能和品质 ,八零动力SKF角接触球轴承品种全,价格优,质量有保证!

用户关注最多的SKF轴承型号

SKF239/950CAK/W33 SKF72212/2/72487/2/Q SKF7224BM SKF7315BECBM SKF811/630 SKFCR17374 SKFCR42X65X10HMS5V SKFCR60x90x8CRW1R SKFCR99854 SKFFY1.5/16TF SKFHS215 SKFPWKRE52.2RS SKFPWM607040 SKFT7FC055T73/QCL7CDTC10* SKFYAR207-104-2F/AH

2x7315BEGAP*角接触球轴承近似的SKF轴承型号

SKF2x7315BECBY SKF7315BECBJ SKF2x7315BECBPH* SKF2x7315BECBP* SKF7315BEP SKF7315BECBP SKF7315B/DF SKF2x7315BEGBP* SKF7315BECBY SKF7315BECBY SKF2x7315BEGAM* SKF2x7315BEGBP*

用户关注最多的轴承狗热门型号

TIMKEN  70TPS132 LYC  6205 E-2RS/P5Z3 SKF  SNL616TURU RHP  7217B MRC  6022-2Z SNR  32311 NTN  7206AC/DB NTN  7005C/DB FAG  NU2226-E-TVP2 NSK  6907NR SKF  CR38758 TIMKEN  1104KL KOYO  25R3124 SKF  51109V/HR22T2 INA  RSRA13-129-L0-L114

版权所有©2009-2015 轴承狗zcgou.com ICP备案:津ICP备14004550号-13