SKF7315BECBM*轴承详细参数

发布时间:2026-04-14
角接触球轴承, 单列
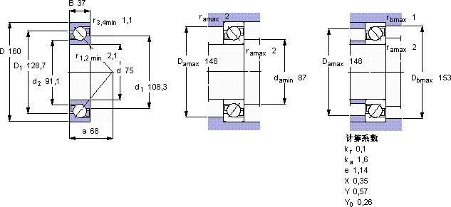
主要数据尺寸 尺寸 [英寸] 疲劳负荷限值 额定速度 体积 型号
动态 静态 参照速度 限制速度
d D B C C0 Pu * - SKF Explorer 轴承
mm kN kN r/min kg -
75160371321044,15530053003,267315 BECBM *

SKF7315BECBM*角接触球轴承供应商

八零动力专业销售7315BECBM*角接触球轴承,库存SKF7315BECBM*大量现货,与SKF合作,咨询热线:022-58519723业务咨询
SKF7315BECBM*它的精密设计,展现了人类智慧的巅峰 它的抗磨损涂层,让它更加耐用 这款轴承的运转平稳,几乎听不到任何噪音,令人惊艳引领转动新潮流,稳定持久设计合理、性能优良的轴承,是机械设备的理想之选,八零动力SKF角接触球轴承品种全,价格优,质量有保证!

用户关注最多的SKF轴承型号

SKF23040CC/W33 SKF52209 SKF6076M SKF6316-2Z/VA208 SKF7012ACD/HCP4A SKFBT4B328817G/HA1VA902 SKFCR11914 SKFCR44926 SKFFY1.WF SKFK14x18x15TN SKFSAF23038KAx6.15/16 SKFSAFC2234 SKFSAF22518x3.1/8 SKFWS81102 SKFWS81218

7315BECBM*角接触球轴承近似的SKF轴承型号

SKF2x7315BEGAM* SKF7315B/DF SKF7315BECBP SKF7315B SKF2x7315BEGAP* SKF7315BECBJ SKF7315BECBY SKF7315BECBPH* SKF7315B/DB SKF7315BECBM* SKF7315BECBJ SKF7315BECBP*

用户关注最多的轴承狗热门型号

SKF  CR65X95X10HMS5V KOYO  30218 RHP  6009 TIMKEN  95500 /95925-B SKF  23236CCK/W33+H2336 LYC  6008 E/P6 SKF  NU324ECML* LYC  24156 CC/W33 NACHI  N1076 LYC  61952 M/C3 SKF  CR27X37X7HMS5V INA  GRA207-NPP-B-AS2/V SKF  NNCF5076CV SKF  NJ217E+HJ217E IKO  GBRI203320U

版权所有©2009-2015 轴承狗zcgou.com ICP备案:津ICP备14004550号-13