SKF6006-Z*轴承详细参数

发布时间:2026-04-14
深沟球轴承, 单列, 单面防尘罩
主要数据尺寸 基本负荷额定值 疲劳负荷限值 额定速度 体积 型号
动态 静态 参照速度 限制速度
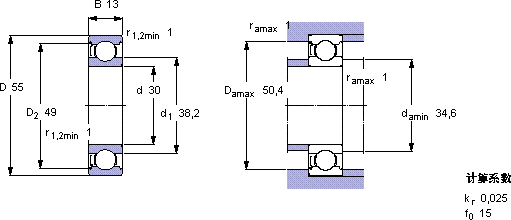
d D B C C0 Pu * - SKF Explorer 轴承
mm kN kN r/min kg -
30551313,88,30,35528000170000,126006-Z *

SKF6006-Z*深沟球轴承供应商

八零动力专业销售6006-Z*深沟球轴承,库存SKF6006-Z*大量现货,与SKF合作,咨询热线:022-58519723业务咨询
SKF6006-Z*它的可靠性,赢得了无数用户的信赖 持久转动轴承的耐用性超乎想象,有效降低了设备的维护成本转动的艺术运转起来如此顺滑,这款轴承的制造工艺着实令人赞叹其质量上乘,是众多机械设备不可或缺的优质配件,八零动力SKF深沟球轴承品种全,价格优,质量有保证!

用户关注最多的SKF轴承型号

SKF23160CAC/W33 SKF6308-ZN SKFBTM60A/HCP4CDBB SKFBVNB328753/HA1 SKFC30/850MB* SKFCR11422 SKFCR130X160X12HMSA10V SKFCR18603 SKFHK5020 SKFNNCL4972CV SKFPF1.3/16WF SKFPCM050705E SKFSNL3138 SKFSY2.15/16TF SKFSYE1.3/4H-18

6006-Z*深沟球轴承近似的SKF轴承型号

SKFE2.6006-2Z/C3 SKF6006-2Z/VA208 SKF6006-2Z* SKF6006-RZ* SKF6006-RS1* SKF6006N* SKF6006-RS SKF6006-2RS SKFW6006-2RS1 SKF6006NR* SKF6006-RZ* SKF6006N*

用户关注最多的轴承狗热门型号

MRC  7034AC INA  K89448-M KOYO  2788R/29 NSK  HR320/28XJ TIMKEN  7206WN FAG  22312-E1-K NACHI  NUP221 SKF  RNA69/28 SKF  FY3/4TF RHP  7312B/DF SNR  51224 FAG  SNV190-L + 2318-K-M-C3 + H2318X302 + TSV518X302 TIMKEN  23052YMB NSK  NUP2328EM NACHI  NUP2314E

版权所有©2009-2015 轴承狗zcgou.com ICP备案:津ICP备14004550号-13