SKF7310BEY轴承详细参数

发布时间:2026-04-14
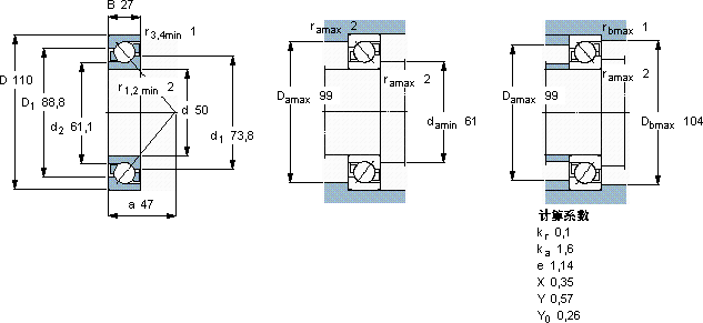
角接触球轴承, 单列
主要数据尺寸 尺寸 [英寸] 疲劳负荷限值 额定速度 体积 型号
动态 静态 参照速度 限制速度
d D B C C0 Pu
mm kN kN r/min kg -
501102774,1512,2750075001,137310 BEY

SKF7310BEY角接触球轴承供应商

八零动力专业销售7310BEY角接触球轴承,库存SKF7310BEY大量现货,与SKF合作,咨询热线:022-58519723业务咨询
SKF7310BEY它的滚动体与沟槽的配合,堪称完美 坚固的结构稳定的性能它的尺寸一致性,让批量生产成为可能 其设计和制造都达到了极高的水准,是一款不可多得的轴承它的多样化应用,展现了它的无限可能 它的稳定性,让它在各种环境下都能可靠工作 ,八零动力SKF角接触球轴承品种全,价格优,质量有保证!

用户关注最多的SKF轴承型号

SKF23980CCK/W33* SKF30236J2 SKF30318J2 SKF306-2Z SKF81111TN SKFCR107X123X11CRSA1R SKFCR10X26X7HMS5V SKFGEZM106ES SKFNK10/12 SKFNCF1840V SKFNNF5028ADA-2LSV SKFOH3180H SKFOKCX210 SKFSNP3184x15.3/4 SKFSYH1.11/16RM

7310BEY角接触球轴承近似的SKF轴承型号

SKF7310BECBY SKF7310BEP SKF2x7310BECBM* SKF7310BEY SKF2x7310BEGAP* SKF7310BEP SKF7310BECBP* SKF7310BEGBY SKF2x7310BEGAY SKF2x7310BEGAM* SKF7310BEP SKF7311B

用户关注最多的轴承狗热门型号

KOYO  45248 FAG  BND3048-H-W-T-BF-S SKF  RNAO25x37x16 SKF  21308EK+AH308* STEYR  NU415 TIMKEN  395-S/394D/X3S-395-S LYC  NA 6008 X3APR NACHI  23122AX SKF  CR19820 NSK  7904A5DF TIMKEN  460RN30 NTN  7806C INA  GS81103 LYC  NJ 2311 M/P4 SKF  CR21167

版权所有©2009-2015 轴承狗zcgou.com ICP备案:津ICP备14004550号-13